Breadcrumbs

ロボットとツールの接続

image2021-11-16_15-51-42.png

いいえ。

項目

1

ツール

2

ブラケット

3

ケーブル

4

ツールフランジ


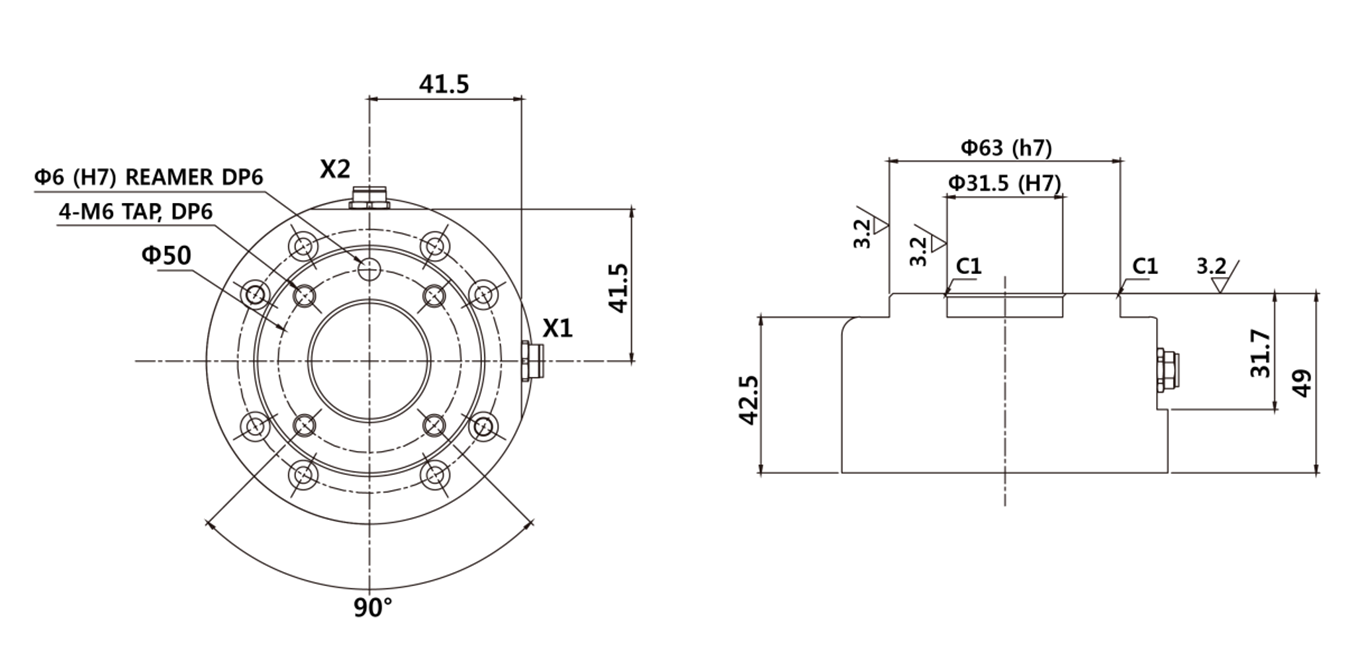
  1. 4本のM6ボルトを使用して、ツールをツールフランジに固定する。

    • ボルトの締付けトルクは9Nmを推奨する。

    • Φ 6プレイスマーカピンを使用して、ロボットを正確に固定位置に取り付ける。


  1. 工具を固定した後、必要なケーブルをフランジI/Oコネクタに接続する。

注釈

工具を固定する方法は、工具によって異なる場合がある。工具の取り付けに関する詳細は、工具メーカーが提供するマニュアルを参照のこと。


ツールアウトプットフランジ、ISO 9409-1-50-4-M6

image2021-11-16_15-55-30.png