Breadcrumbs

Roboter und Werkzeug verbinden

image2021-11-16_15-51-42.png

Nein

Artikel

1

Werkzeug

2

Halterung

3

Kabel

4

Werkzeugflansch


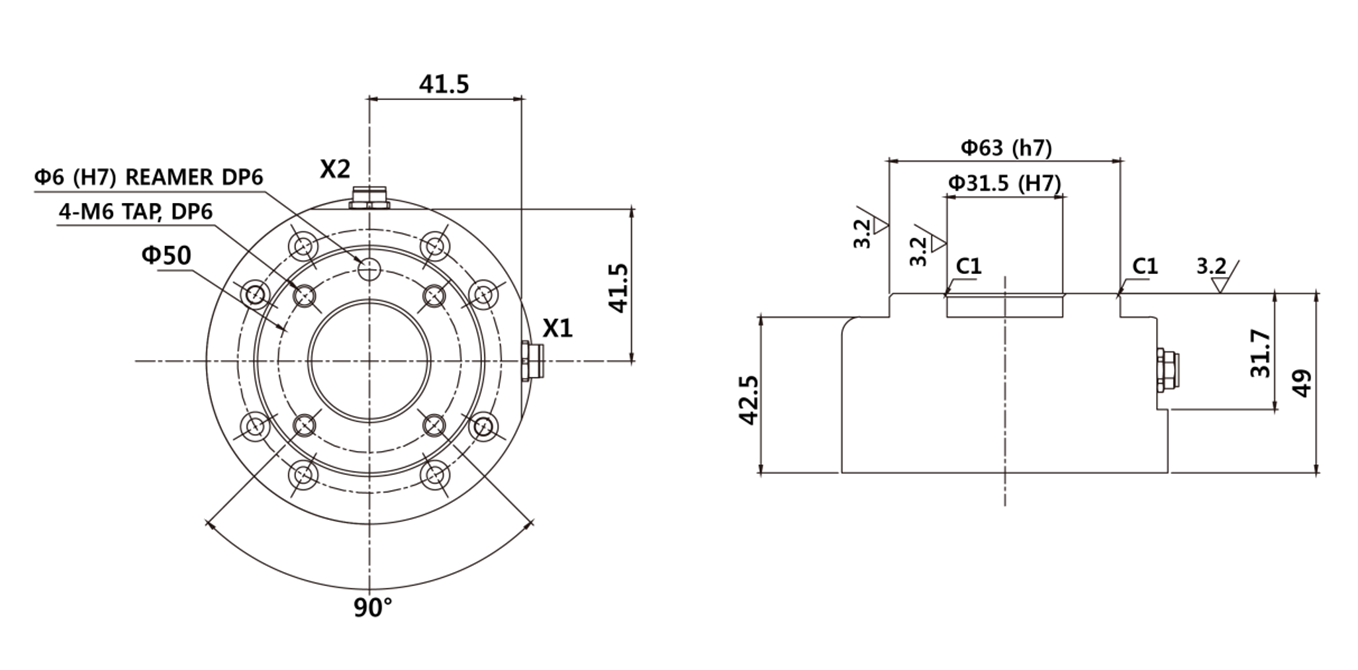
  1. Verwenden Sie vier M6-Schrauben, um das Werkzeug am Werkzeugflansch zu befestigen.

    • Es wird empfohlen, zum Anziehen der Schrauben ein Anzugsmoment von 9 Nm zu verwenden.

    • Verwenden Sie einen φ6 Markierungsstift, um den Roboter genau an einer festen Stelle zu installieren.


  1. Schließen Sie die erforderlichen Kabel an die Flansch-E/A-Steckverbinder an, nachdem das Werkzeug befestigt wurde.

Hinweis

Die Methoden zur Befestigung des Werkzeugs können je nach Werkzeug variieren. Weitere Informationen zur Werkzeugmontage finden Sie im Handbuch des Werkzeugherstellers.


Werkzeugabtriebsflansch, ISO 9409-1-50-4-M6

image2021-11-16_15-55-30.png