Breadcrumbs

Conexão do robô e da ferramenta

image2021-11-16_15-51-42.png

No.

Item

1

Ferramenta

2

Suporte

3

Cabo

4

Flange da ferramenta


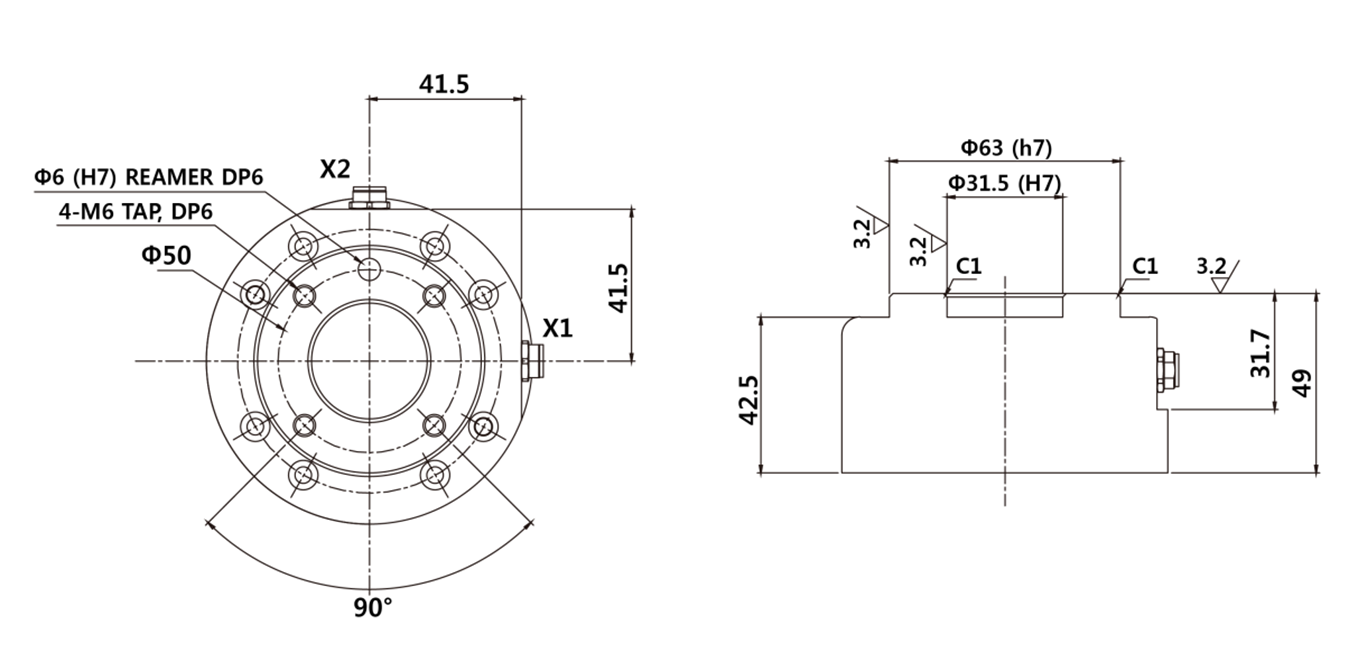
  1. Use quatro parafusos M6 para prender a ferramenta no flange da ferramenta.

    • Recomenda-se usar um torque de aperto de 9 Nm para apertar os parafusos.

    • Use um pino marcador Φ6 coloque para instalar com precisão o robô em um local fixo.


  1. Conecte os cabos necessários aos conectores de E/S do flange depois que a ferramenta estiver presa.

Observação

Os métodos de fixação da ferramenta podem variar de acordo com a ferramenta. Para obter mais informações sobre a instalação da ferramenta, consulte o manual fornecido pelo fabricante da ferramenta.


Flange de saída da ferramenta, ISO 9409-1-50-4-M6

image2021-11-16_15-55-30.png