Breadcrumbs

连接机械手和工具

image2021-11-16_15-51-42.png

No.

项目

1

工具

2

支架

3

电缆

4

工具法兰


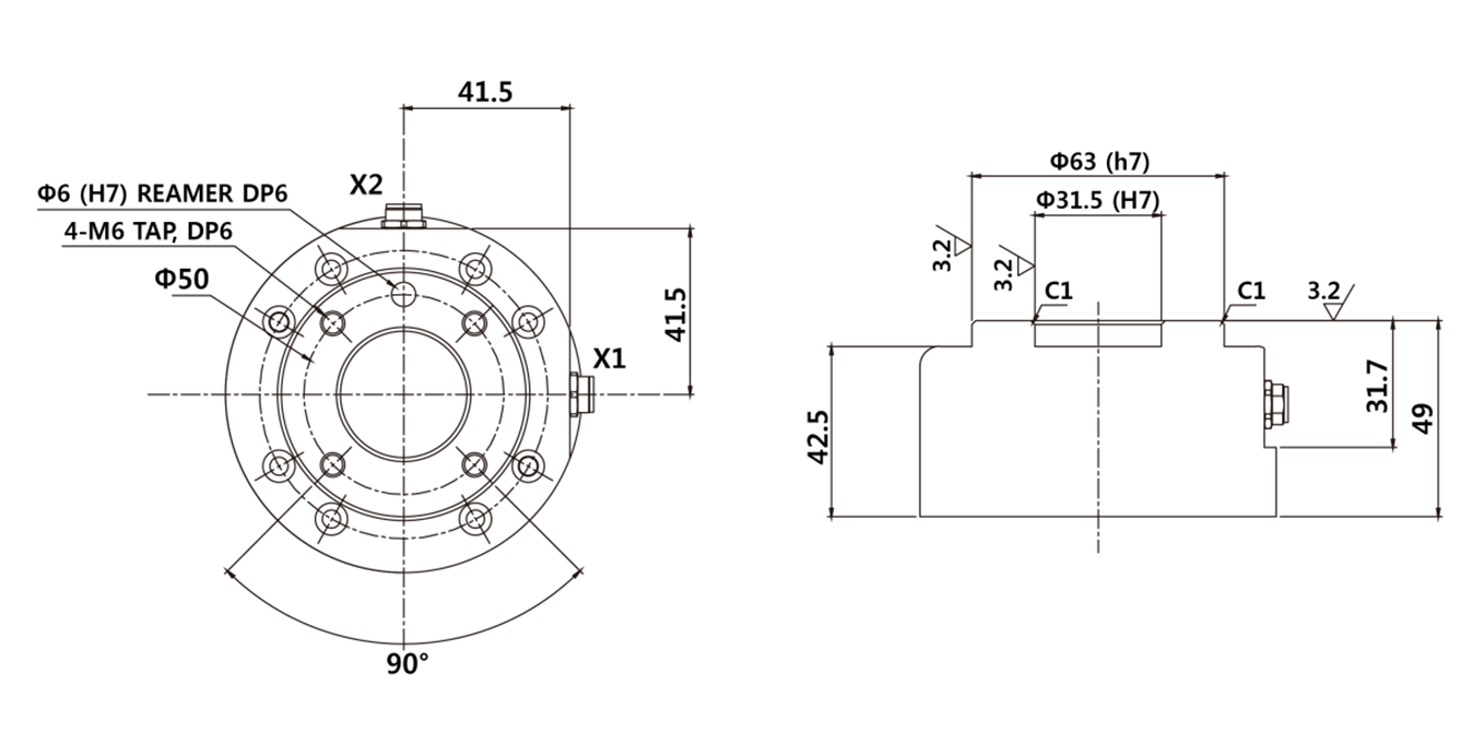
  1. 使用四颗M6螺栓将工具固定在工具法兰上。

    • 建议使用9 Nm的拧紧扭矩来拧紧螺栓。

    • 使用 Φ6 Place标记销将机械手准确安装在固定位置。


  1. 固定工具后,将必要的电缆连接到法兰I/O连接器。

注意

固定工具的方法可能因工具而异。有关工具安装的更多信息,请参阅工具制造商提供的手册。


刀具输出法兰,ISO 9409-1-50-4-M6

image2021-11-16_15-55-30.png