Breadcrumbs

ロボットとツールの接続

image2021-11-16_15-51-42.png

No.

項目

1

ツール (Tool)

2

ブラケット (Bracket)

3

ケーブル (Cable)

4

ツールフランジ (Tool flange)


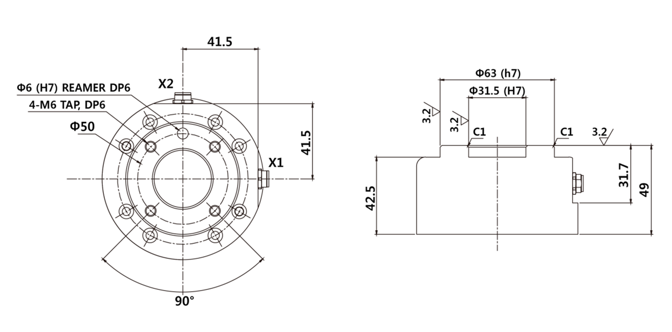
  1. 4本のM6ボルトを使用して、ツールをツールフランジに固定します。

    • ボルトの締付けトルクは9 Nmを推奨します。

    • Φ 6プレイスマーカーピンを使用して、ロボットを正確に固定位置に設置します。


  1. ツールを固定した後、必要なケーブルをフランジI/Oコネクタに接続します。

注記

ツールの固定方法は、ツールによって異なる場合があります。工具の取り付け方法の詳細については、工具メーカーが提供するマニュアルを参照してください。


ツールアウトプットフランジ、ISO 9409-1-50-4-M6

image2021-11-16_15-55-30.png