Breadcrumbs

A robot és az eszköz csatlakoztatása

image2021-11-16_15-51-42.png

Nem

Elem

1

Szerszám

2

Konzol

3

Kábel

4

Szerszámkarima


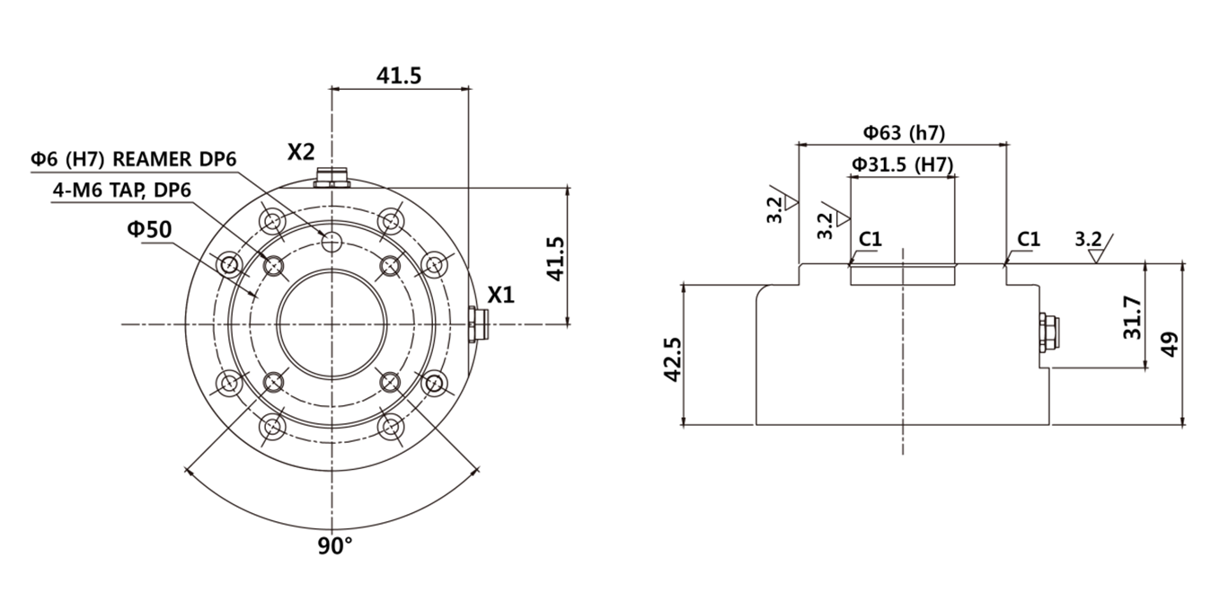
  1. Négy M6 csavarral rögzítse a szerszámot a szerszám karimájára.

    • A csavarok meghúzásához ajánlott 9 Nm meghúzási nyomatékot használni.

    • A robot rögzített helyre történő pontos beszereléséhez használjon Φ6 jelölő csapot.


  1. A szerszám rögzítése után csatlakoztassa a szükséges kábeleket a peremes I/O csatlakozókhoz.

Megjegyzés

A szerszám rögzítésének módja a szerszámtól függően változhat. A szerszám beszerelésével kapcsolatos további információkért tekintse meg a szerszám gyártója által biztosított kézikönyvet.


Szerszám kimeneti karima, ISO 9409-1-50-4-M6

image2021-11-16_15-55-30.png