Breadcrumbs

Connexion du robot et de l'outil

image2021-11-16_15-51-42.png

Non.

Élément

1

Outil

2

Support

3

Câble

4

Bride d'outil


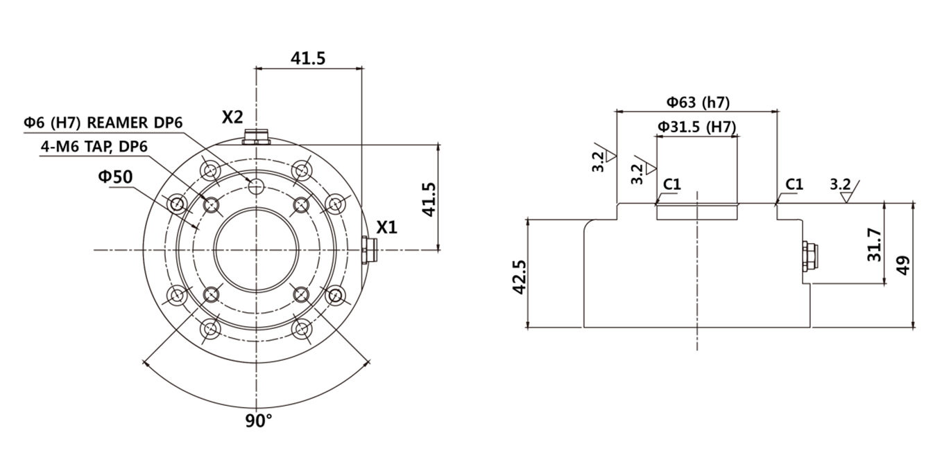
  1. Utiliser quatre vis M6 pour fixer l'outil sur la bride de l'outil.

    • Il est recommandé d'utiliser un couple de serrage de 9 Nm pour serrer les boulons.

    • Utilisez une broche de marquage φ6 placer pour installer avec précision le robot à un emplacement fixe.


  1. Connectez les câbles nécessaires aux connecteurs d'E/S de bride une fois l'outil fixé.

Remarque

Les méthodes de fixation de l'outil peuvent varier en fonction de l'outil. Pour plus d'informations sur l'installation de l'outil, reportez-vous au manuel fourni par le fabricant de l'outil.


Bride de sortie d'outil, ISO 9409-1-50-4-M6

image2021-11-16_15-55-30.png