Breadcrumbs

Ready to install the robot

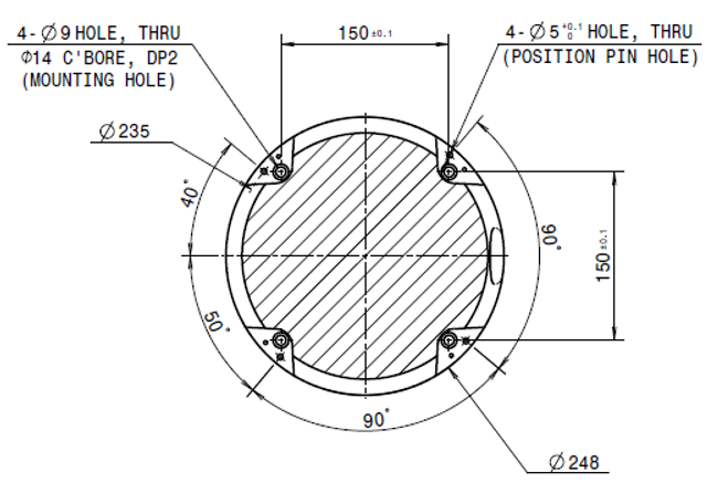
Fixing the Robot

Use M8 bolts in the four 9.0 mm holes on the manipulator base to fix the robot.

  • It is recommended to use tightening torque of 20 Nm to tighten the bolts. Use washers (spring-flat) to prevent loosening by vibration.

  • Use two Φ5 place marker pins to accurately install the robot in a fixed location.


The manipulator base drawing and four M8 bolts are used, Unit [mm]

image2024-10-4_13-14-49.png

Warning

  • Tighten the bolts all the way to prevent loosening during manipulator operation.

  • Install the manipulator base on a solid surface that can withstand the load generated during operation (10 times the maximum torque and five times the weight of the robot).

  • The robot will interpret manipulator base vibration as a collision and engage the emergency stop. Therefore, for installation locations that automatically shift position, do not install the robot base in a location with high movement acceleration.

  • Mount the manipulator arm in a specific location using appropriate methods. The mounting surface must be solid.

  • The manipulator will be damaged if it comes in contact with water for an extended period of time. Do not operate the robot in conditions where it can get wet or under water.


Placing the Cable

Please ensure that the cables have curvatures greater than the minimum curvature radius. The minimum curvature radius of each cable is as follows:

Cable

Minimum curvature radius (R)

Teach pendant cable

120 mm

Robot cable

120 mm


image2021-11-16_17-59-55.png

Caution

  • Ensure that the curvature radius between the teach pendant cable and teach pendant connector is greater than the minimum curvature radius.

  • If the curvature radius is smaller than the minimum curvature radius, cable disconnection or product damage may occur.

  • In environments where electromagnetic noise can occur, proper cable installation must be taken to prevent malfunctions.