Breadcrumbs

Připojení robota a nástroje

image2021-11-16_15-51-42.png

Ne

Položka

1

Nástroj

2

Držák

3

Kabel

4

Příruba nástroje


  1. Pomocí čtyř šroubů M6 upevněte nástroj na přírubu nástroje.

    • Pro utažení šroubů se doporučuje použít utahovací moment 9 Nm.

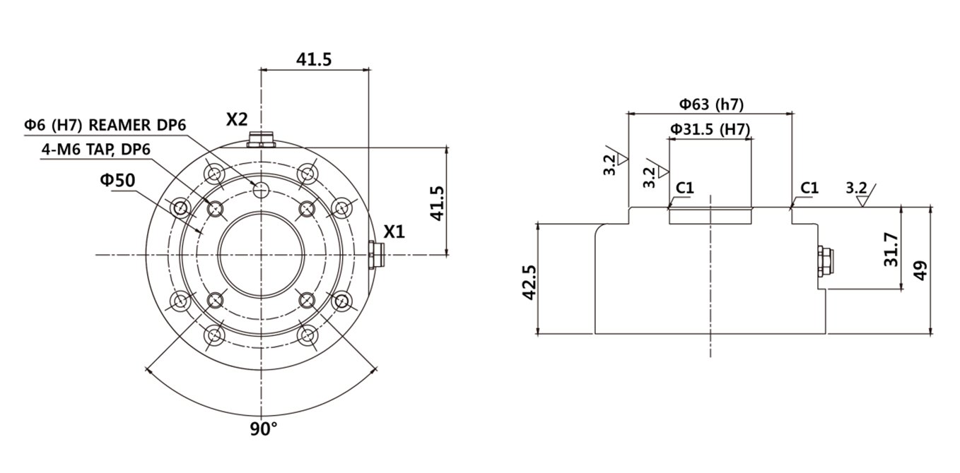
    • Pomocí Φ6 umístěte značkovací kolík pro přesnou instalaci robota na pevné místo.


  1. Po zajištění nástroje připojte potřebné kabely ke konektorům i/o příruby.

Poznámka

Způsoby zajištění nástroje se mohou lišit v závislosti na nástroji. Další informace o instalaci nástroje naleznete v příručce dodané výrobcem nástroje.


Výstupní příruba nástroje, ISO 9409-1-50-4-M6

image2021-11-16_15-55-30.png