Analog 인터페이스 방식 용접기 연결 예시

주의
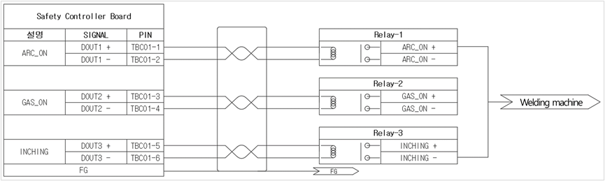
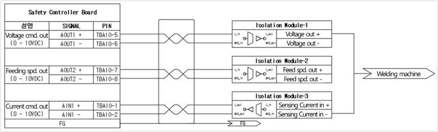
용접기의 Analog 및 Digital In/Out 단자를 제어기와 연결할 때에는 제어기의 회로를 보호하기 위해 신호의 분리(isolation)가 필요합니다. 일반적으로 Relay 또는 isolation module을 사용하여 회로를 분리합니다. 직접연결하는 경우에 제어기의 회로가 손상될 수 있습니다.
Relay를 사용한 Digital Out 연결 예시

- Digital Output의 채널번호는 설명을 위한 임시 번호입니다.
상용 Isolation module을 사용한 Analog In, Out 연결 예시

- Analog Input / Out 채널번호는 설명을 위한 임시 번호입니다.
- 이외의 용접기와의 추가적인 연결에 대해서도 동일한 절연처리가 요구됩니다.
- 용접 전류 측정을 위해 홀센서(hall sensor)와 같은 별도의 외장형 센서를 사용하는 경우에는 Isolation Module이 불필요합니다.
- Analog 출력의 경우 용접기의 analog 입력 신호 사양(전압)을 확인하여 Isolation module을 선정하시기 바랍니다.
상용 Isolation Module 예는 아래의 표와 같으며 같은 사양의 다른 제조사 제품을 사용해도 무방합니다.
제조사
Weidmuller
유형
WAS4 VVC DC 0-10V/0-10V
설명
0-10V 입력, 0-10V 출력 사양
Control Box의 전기적 사양은 PART 3. 설치 매뉴얼을 참조하세요.