Analog Interface Welding Machine Connection Example

Caution
When connecting the welder's analog and digital in/out sockets with the controller, signal isolation is required to protect the circuits of the controller. Circuit separation is usually achieved by using a relay or isolation module. A direct connection may damage the circuits of the controller.
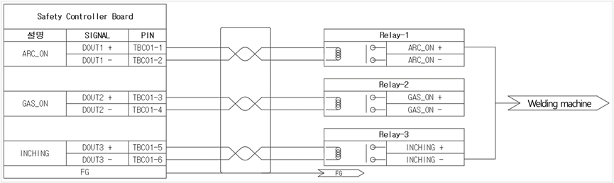
Example of a digital out connection using a relay

- Digital output channel numbers are temporary numbers used for explanatory purposes.
Example of an analog input/output connection using a commercial isolation module

- Channel numbers of analog input/output are temporary numbers used for explanatory purposes.
- Identical isolation is required for connections with additional welding machines.
- If a separate external sensor for welding current measurement, such as a hall sensor, is used, there is no need for an isolation module.
- In the case of an analog output, check the analog input signal specification (voltage) of the welding machine to determine which isolation module to use.
Refer to the table below for an example of a commercial isolation module. A module with identical specifications from a different manufacturer can also be used.
Manufacturer
Weidmuller
Type
WAS4 VVC DC 0-10V/0-10V
Description
0-10 V input, 0-10 V output
Refer to the PART 3. 설치 매뉴얼 for the electrical specifications of the control box.