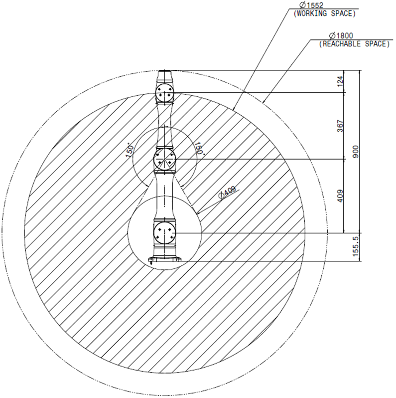
Robot operating space
A0509
|
|
A0509S
|
|
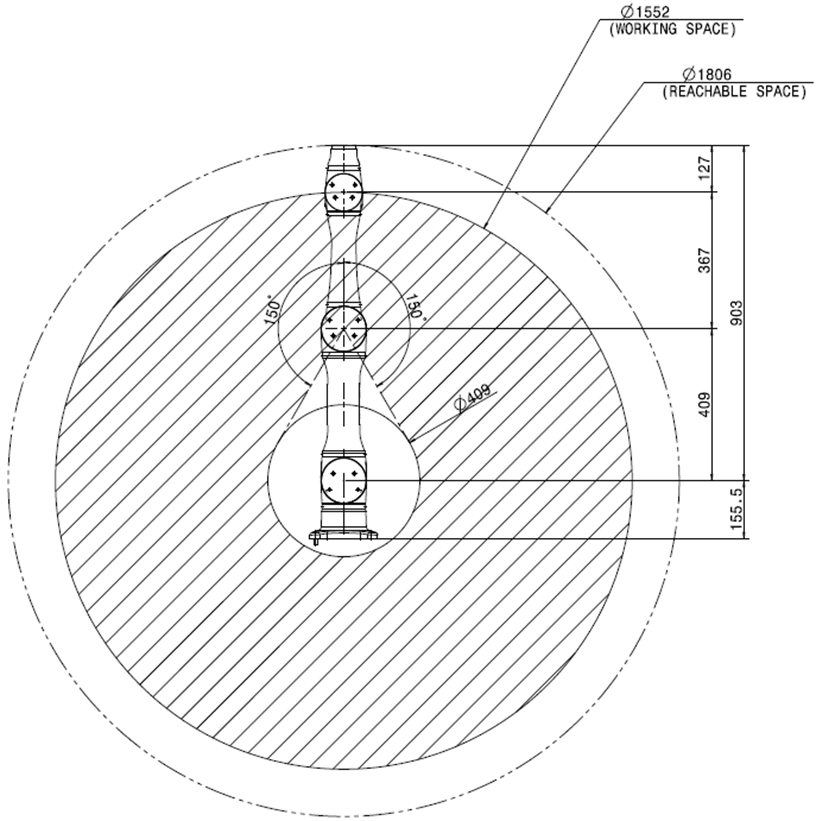
A0912
|
|
A0912S
|
|
Max. Payload within operating space
The maximum payload of the robot within its operating space changes according to the distance from the center of gravity. Payload per distance is as follows:
Note
This load diagram assumes a small tool load volume. Tools with a larger volume will have greater limitations in payload above the tool’s center of gravity compared to a tool with an equal weight but smaller volume, and in such cases, vibration may occur.
A0509
|
A0912
|
Allowed Moment and Inertia
The allowed moment and inertia of the robot's J4-J6 are as follows:
|
Model Name |
J4 |
J5 |
J6 |
|||
|---|---|---|---|---|---|---|
|
Allowed Moment |
Inertia |
Allowed Moment |
Inertia |
Allowed Moment |
Inertia |
|
|
A0509 |
50 Nm |
0.69 kg㎡ |
50 Nm |
0.69 kg㎡ |
50 Nm |
0.69 kg㎡ |
|
A0912 |
||||||
|
A0509s |
11 Nm |
0.15 kg㎡ |
11 Nm |
0.15 kg㎡ |
11 Nm |
0.15 kg㎡ |
|
A0912s |
||||||
Tool Center Point (TCP)
Refer to the figure below for TCP.
Basic specifications
|
Model Name |
A0509 |
A0509S* |
A0912 |
A0912S* |
||
|---|---|---|---|---|---|---|
|
Weight |
21 kg |
31 kg |
||||
|
Payload within Work Radius |
5 kg |
9 kg |
||||
|
Max. Work Radius |
900 mm |
903 mm |
1200 mm |
1203 mm |
||
|
Number of Axes |
6 |
|||||
|
Max. TCP Speed |
Over 1 m/s |
|||||
|
Position Repeatability (ISO 9283) |
±0.03 mm |
±0.05 mm |
||||
|
Protection Rating |
IP 54 |
|||||
|
Noise |
< 65 dB |
|||||
|
Installation Direction |
Any Orientation |
|||||
|
Controller and Teaching Pendant |
Doosan Controller, DART Platform, Smart Pendant (Option) |
|||||
|
Vibration and Acceleration |
10≤f<57㎐ - 0.075mm amplitude 57≤f≤150㎐ – 1G |
|||||
|
Impact |
Max Amplitude : 50㎨(5G)
|
|||||
|
Operating Temperature |
-5 ℃ ~ 45 ℃ (268K to 318K) |
|||||
|
Storage Temperature |
-5 ℃ ~ 50 ℃ (268K to 323K) |
|||||
|
Humidity |
90% RH (non-condensing) |
|||||
S*, This is the model with an integrated Force Torque Sensor, so make sure to check the FTS Specification.
Axis Specifications
|
Model Name |
A0509 |
A0509S |
A0912 |
A0912S |
|---|---|---|---|---|
|
Operating Angle |
||||
|
J1 |
±360° |
±360° |
||
|
J2 |
±360° |
±360° |
||
|
J3 |
±160° |
±160° |
||
|
J4 |
±360° |
±360° |
||
|
J5 |
±360° |
±360° |
||
|
J6 |
±360° |
±360° |
||
|
Max. Speed per Axis (rated payload operation) |
||||
|
J1 |
180 °/s |
180 °/s |
||
|
J2 |
180 °/s |
180 °/s |
||
|
J3 |
180 °/s |
180 °/s |
||
|
J4 |
360 °/s |
360 °/s |
||
|
J5 |
360 °/s |
360 °/s |
||
|
J6 |
360 °/s |
360 °/s |
||