连接机器人和工具

编号 | 项目 |
|---|---|
1 | 工具 |
2 | 支架 |
3 | 电缆 |
4 | 工具法兰 |
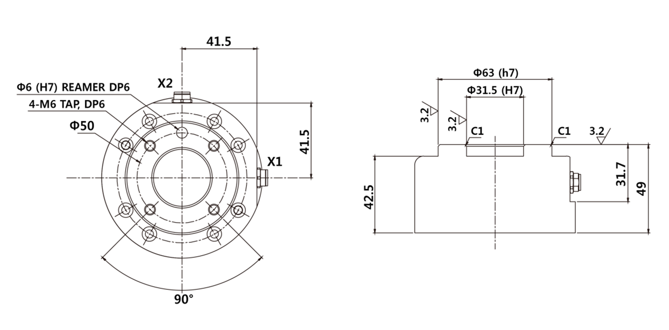
使用四个 M6 螺栓将工具固定到工具法兰上。
建议使用 9 Nm 的拧紧扭矩拧紧螺栓。
使用 Φ6 定位销将机器人准确地安装在固定位置。
固定工具后,将必要的电缆连接到法兰 I/O 连接器。
注
固定工具的方法可能会因具体工具而异。有关工具安装的更多信息,请参见工具制造商提供的手册。
工具输出法兰,ISO 9409-1-50-4-M6


编号 | 项目 |
|---|---|
1 | 工具 |
2 | 支架 |
3 | 电缆 |
4 | 工具法兰 |
使用四个 M6 螺栓将工具固定到工具法兰上。
建议使用 9 Nm 的拧紧扭矩拧紧螺栓。
使用 Φ6 定位销将机器人准确地安装在固定位置。
固定工具后,将必要的电缆连接到法兰 I/O 连接器。
注
固定工具的方法可能会因具体工具而异。有关工具安装的更多信息,请参见工具制造商提供的手册。
工具输出法兰,ISO 9409-1-50-4-M6
