Skip to main content
Skip table of contents

Ligar o robot à ferramenta

Número

Item

1

Ferramentas

2

Suporte

3

Cabo

4

Flange da ferramenta

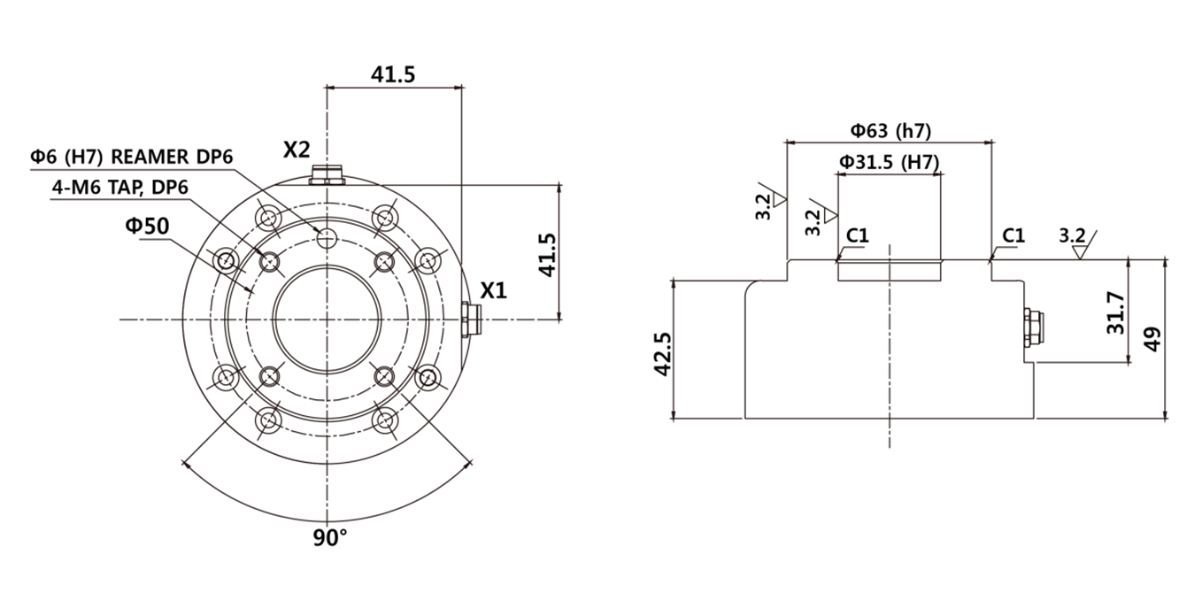
  1. Fixe a ferramenta na flange da ferramenta utilizando os 4 parafusos M6.

    • Recomenda-se que aperte os parafusos com um binário de 9 Nm quando os fixar.

    • Se o robot precisar de ser corretamente instalado numa posição fixa, um pino de posicionamento de Φ 6 permite que seja instalado na posição pretendida.

  2.  Depois de fixar a ferramenta , ligue o cabo necessário ao conetor de E/S da flange.

Saber

O método de combinação das ferramentas pode variar de ferramentapara ferramenta. Consulte o manual fornecido pelo fabricante da ferramenta para obter instruções

Flange de saída da ferramenta, ISO 9409-1-50-4-M6

JavaScript errors detected

Please note, these errors can depend on your browser setup.

If this problem persists, please contact our support.