Fixar o robô
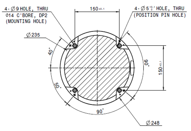
Fixe com parafusos M8 nos quatro furos de Ø9,0 mm na base do manipulador.
- Recomenda-se que aperte os parafusos com um binário de 20 Nm quando os fixar. Para evitar o afrouxamento devido à vibração, use uma arruela(plana por mola) .
 - Se o coletor precisar ser instalado corretamente em uma posição fixa, um pino de localização Φ 5 pode ser usado para posicionar o coletor na posição desejada.
 

Esquema da base do coletor, com 4 parafusos M8. Unidade [mm]
Aviso
- Quando o coletor é ativado, aperte completamente para evitar que o parafuso se solte.
 - Instale a base dos ameixas numa superfície resistente que possa suportar o peso do robot e as cargas que este irá sentirquando funciona (10 vezes o binário máximo do robot e 5 vezes o peso do robot).
 - Quando a base pla está a vibrar, o robot determina automaticamente que está numa colisão e pára em caso de emergência. Portanto, se estiver instalando em um local que seja movido automaticamente, não instale-o em um local onde haja alta aceleração do movimento.
 - Monte o coletor da forma correta e na posição correta. A superfície de montagem deve ser rígida.
 - Não utilize o requerente num ambiente húmido ou em água, pois o contacto prolongadocom água pode causar danos.