Ligar o robot à ferramenta

Número | Item |
|---|---|
1 | Ferramentas |
2 | Suporte |
3 | Cabo |
4 | Flange da ferramenta |
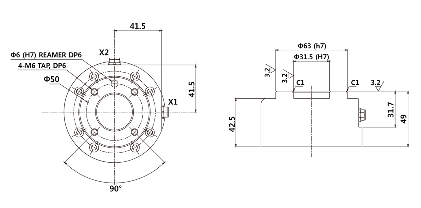
Fixe a ferramenta na flange da ferramenta utilizando os 4 parafusos M6.
Recomenda-se que aperte os parafusos com um binário de 9 Nm quando os fixar.
Se o robot precisar de ser corretamente instalado numa posição fixa, um pino de posicionamento de Φ 6 permite que seja instalado na posição pretendida.
Depois de fixar a ferramenta , ligue o cabo necessário ao conetor de E/S da flange.
Saber
O método de combinação das ferramentas pode variar de ferramentapara ferramenta. Consulte o manual fornecido pelo fabricante da ferramenta para obter instruções

Flange de saída da ferramenta, ISO 9409-1-50-4-M6