Conexão do robô e da ferramenta

No. | Item |
|---|---|
1 | Ferramenta |
2 | Suporte |
3 | Cabo |
4 | Flange da ferramenta |
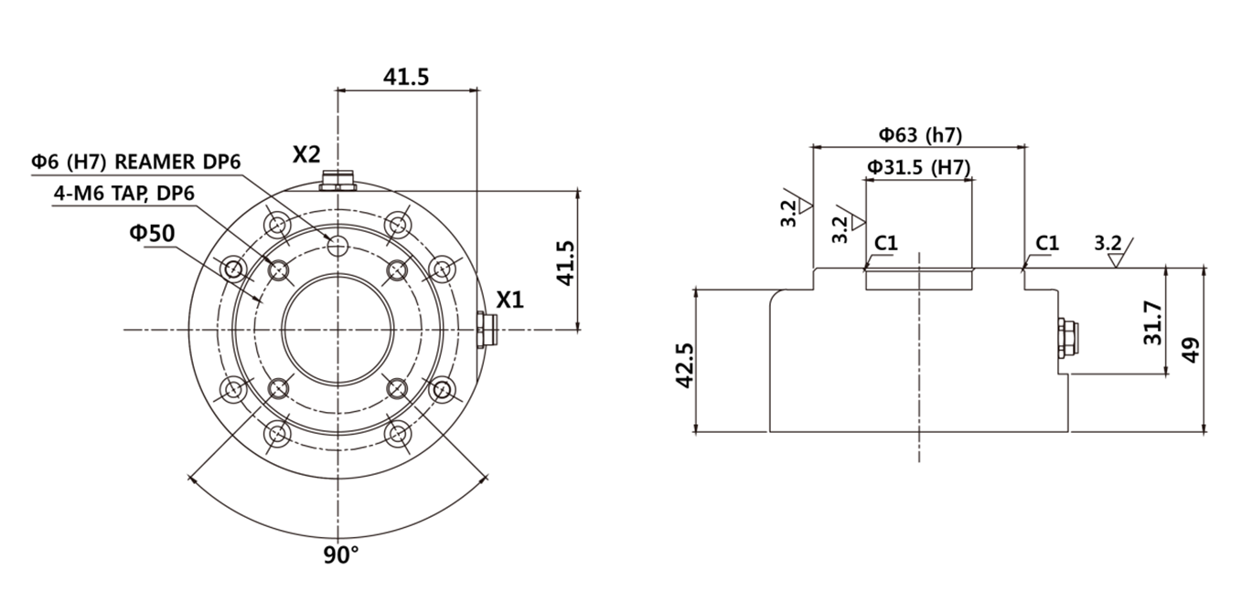
Use quatro parafusos M6 para prender a ferramenta no flange da ferramenta.
Recomenda-se usar um torque de aperto de 9 Nm para apertar os parafusos.
Use um pino marcador Φ6 coloque para instalar com precisão o robô em um local fixo.
Conecte os cabos necessários aos conectores de E/S do flange depois que a ferramenta estiver presa.
Observação
Os métodos de fixação da ferramenta podem variar de acordo com a ferramenta. Para obter mais informações sobre a instalação da ferramenta, consulte o manual fornecido pelo fabricante da ferramenta.
Flange de saída da ferramenta, ISO 9409-1-50-4-M6
