Podłączanie narzędzia do robota

No. | Element |
1 | Narzędzia |
2 | Wspornik |
3 | Kabel |
4 | Kołnierz narzędzia |
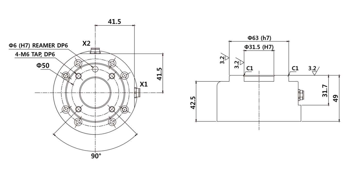
Przymocować narzędzie do uchwytu narzędzia za pomocą czterech śrub M6.
Zalecamy stosowanie momentu dokręcenia śrub 9 Nm.
Za pomocą znacznika Φ6 określić dokładnie stałe miejsce montażu robota.
Podłączyć niezbędne przewody do we/wy kołnierza po zamocowaniu narzędzia.
Uwaga
Metoda mocowania narzędzia może się różnić w zależności od narzędzia. Aby uzyskać więcej informacji na temat montażu narzędzia, należy skorzystać z podręcznika dostarczonego przez producenta narzędzia.
Kołnierz wyjściowy narzędzia, ISO 9409-1-50-4-M6
