Skip to main content
Skip table of contents

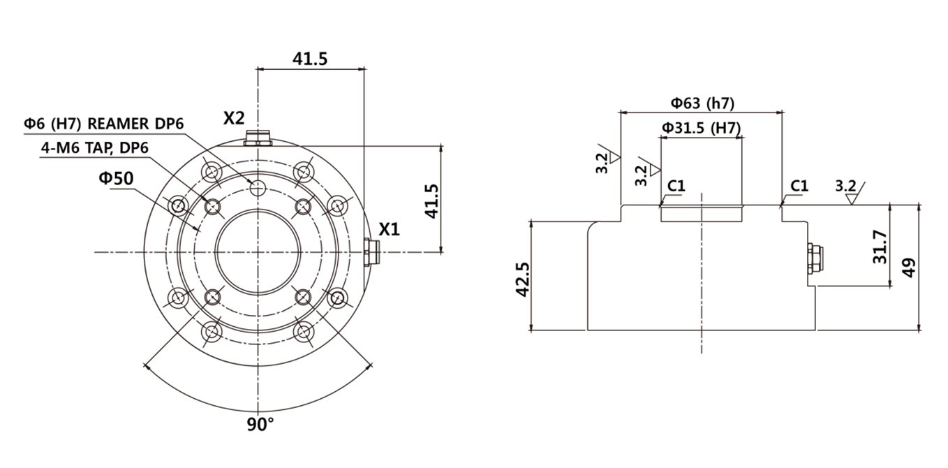
Podłączanie narzędzia do robota


Lp

Element

1

Tool

2

Bracket

3

Cable

4

Tool flange

  1. Przymocować narzędzie do uchwytu narzędzia za pomocą czterech śrub M6.
    • Zalecamy stosowanie momentu dokręcenia śrub 9 Nm.
    • Za pomocą znacznika Φ6 określić dokładnie stałe miejsce montażu robota.
  2. Podłączyć niezbędne przewody do we/wy kołnierza po zamocowaniu narzędzia.


Uwaga

Metoda mocowania narzędzia może się różnić w zależności od narzędzia. Aby uzyskać więcej informacji na temat montażu narzędzia, należy skorzystać z podręcznika dostarczonego przez producenta narzędzia.

Kołnierz do montażu narzędzia, ISO 9409-1-50-4-M6

JavaScript errors detected

Please note, these errors can depend on your browser setup.

If this problem persists, please contact our support.