Podłączanie narzędzia do robota

Lp | Element |
1 | Tool |
2 | Bracket |
3 | Cable |
4 | Tool flange |
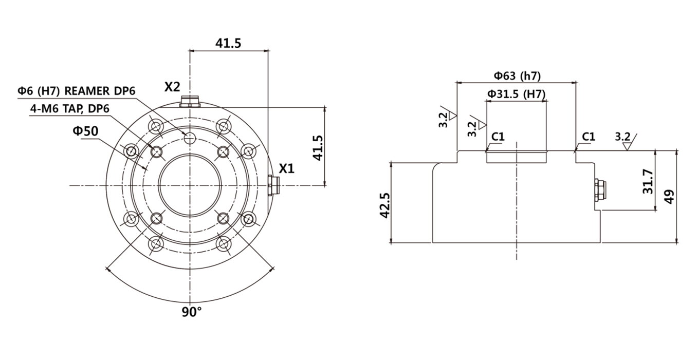
- Przymocować narzędzie do uchwytu narzędzia za pomocą czterech śrub M6.
- Zalecamy stosowanie momentu dokręcenia śrub 9 Nm.
- Za pomocą znacznika Φ6 określić dokładnie stałe miejsce montażu robota.
- Podłączyć niezbędne przewody do we/wy kołnierza po zamocowaniu narzędzia.
Uwaga
Metoda mocowania narzędzia może się różnić w zależności od narzędzia. Aby uzyskać więcej informacji na temat montażu narzędzia, należy skorzystać z podręcznika dostarczonego przez producenta narzędzia.

Kołnierz do montażu narzędzia, ISO 9409-1-50-4-M6