Podłączanie robota i narzędzia

No. | Pozycja |
|---|---|
1 | Narzędzie |
2 | Wspornik |
3 | Kabel |
4 | Kołnierz narzędzia |
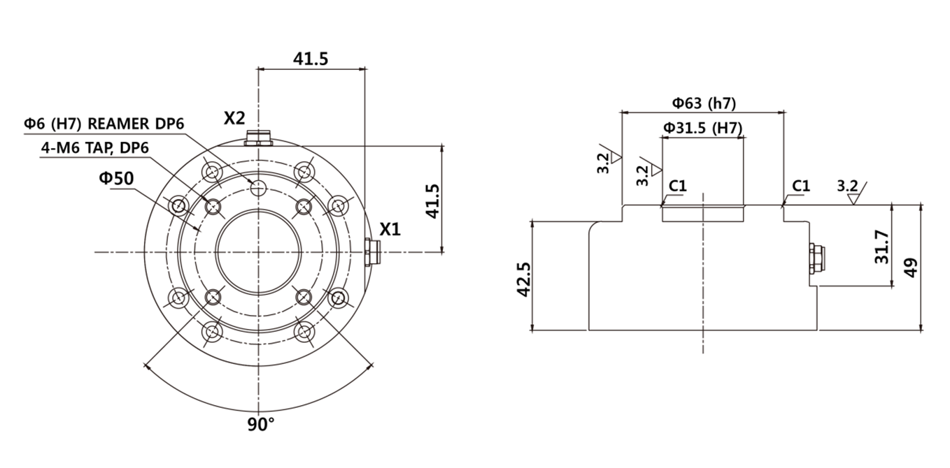
Za pomocą czterech śrub M6 zamocować narzędzie na kołnierzu narzędzia.
W celu dokręcenia śrub zaleca się dokręcenie ich momentem 9 Nm.
Za pomocą sworznia znacznikowego Φ6 dokładnie zamontować robota w stałym miejscu.
Po zamocowaniu narzędzia podłącz niezbędne kable do kołnierzowych złączy we/wy.
Uwaga
Metody mocowania narzędzia mogą się różnić w zależności od narzędzia. Więcej informacji na temat instalacji narzędzia można znaleźć w instrukcji dostarczonej przez producenta narzędzia.
Kołnierz wyjściowy narzędzia, ISO 9409-50-4-M6
