De robot en de tool op elkaar aansluiten

Nr. | Item |
1 | Tool |
2 | Bracket |
3 | Cable |
4 | Tool flange |
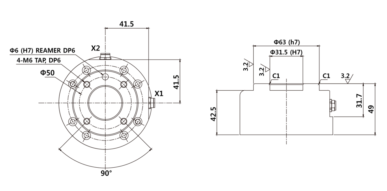
- Gebruik vier M6-bouten om de tool vast te zetten op de toolflens.
- Het wordt aanbevolen om een “aandraaimoment” van 9 Nm te gebruiken om de bouten aan te draaien.
- Gebruik een markeringspin Φ6 om de robot nauwkeurig op een vaste plaats te installeren.
- Sluit de benodigde kabels aan op de flens-I/O-connectoren nadat de tool is vastgezet.
Opmerking
De manier waarop de tool wordt vastgezet, kan variëren afhankelijk van de tool. Voor meer informatie over de installatie van de tools, zie de handleiding van de fabrikant van de tools.

Tooloutputflens, ISO 9409-1-50-4-M6