De robot en het gereedschap aansluiten

No. | Item |
|---|---|
1 | Gereedschap |
2 | Steun |
3 | Kabel |
4 | Gereedschapsflens |
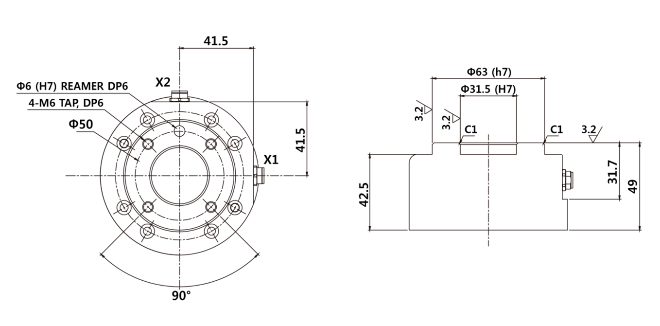
Gebruik vier M6-bouten om het gereedschap vast te zetten op de flens van het gereedschap.
Het wordt aanbevolen om een aanhaalmoment van 9 Nm te gebruiken om de bouten vast te draaien.
Gebruik een Φ6 plaats markeerstift om de robot nauwkeurig op een vaste plaats te installeren.
Sluit de benodigde kabels aan op de I/O-connectoren van de flens nadat het gereedschap is vastgezet.
Opmerking
De methoden voor het vastzetten van het gereedschap kunnen per gereedschap verschillen. Raadpleeg de handleiding van de fabrikant van het gereedschap voor meer informatie over het installeren van het gereedschap.
Uitgangsflens gereedschap, ISO 9409-1-50-4-M6
