로봇 고정하기
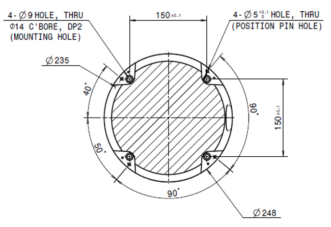
매니퓰레이터 베이스에 있는 Ø9.0mm 구멍 4개에 M8 볼트를 이용하여 고정하십시오.
- 볼트를 고정할 때에는 20Nm의 토크로 볼트를 조이는 것을 권장합니다. 진동에 의한 풀림 방지를 위해서 와셔(스프링-평) 사용하시기 바랍니다.
 - 매니퓰레이터를 고정된 위치에 정확하게 설치해야 하는 경우에는 2개의 Φ5의 위치 결정 핀을 이용하면 원하는 위치에 설치할 수 있습니다.
 

매니퓰레이터 베이스 도면, M8 볼트 4개 사용. 단위[mm]
경고
- 매니퓰레이터가 작동할 때, 볼트가 풀리지 않도록 끝까지 조이십시오.
 - 매니퓰레이터의 베이스는 로봇의 무게와 로봇이 작동할 때 발생하는 하중(로봇 최대 토크의 10배 및 로봇 중량의 5배)을 견딜 수 있는 견고한 면에 설치하십시오.
 - 매니퓰레이터 베이스에 진동이 발생하면 로봇은 자동으로 충돌이라고 판단하여 비상정지합니다. 그러므로 자동으로 위치가 이동되는 곳에 설치하는 경우 이동 가속도가 높은 장소에는 설치하지 마십시오.
 - 매니퓰레이터를 올바른 방법으로 확실한 위치에 마운팅하십시오. 마운팅 표면은 견고해야 합니다.
 - 매니퓰레이터가 장시간 물에 닿으면 손상될 수 있으니 젖을 수 있는 환경이나 수중에서 사용하지 마십시오.