로봇과 툴 연결하기

번호 | 항목 |
|---|---|
1 | 툴 |
2 | 브라켓 |
3 | 케이블 |
4 | 툴 플렌지 |
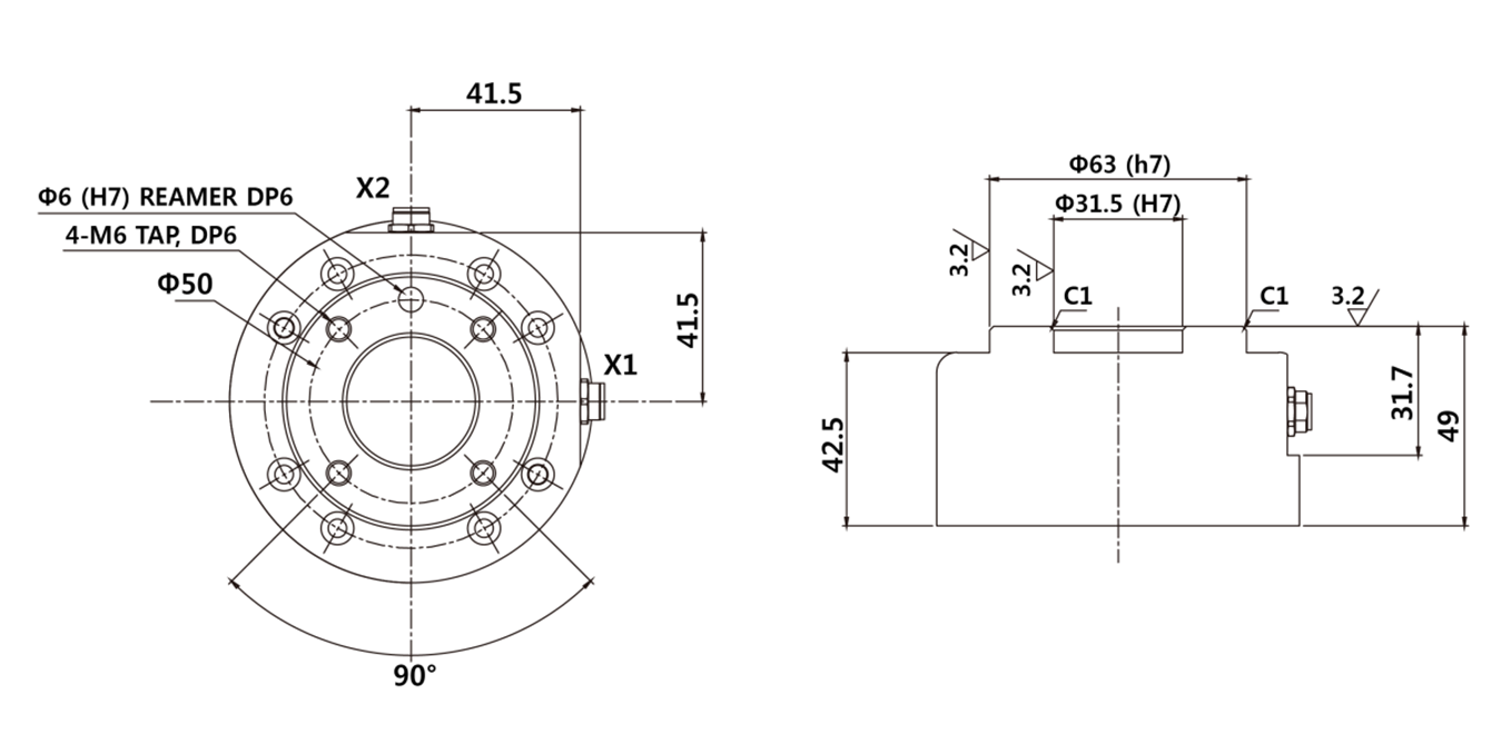
- M6 볼트 4 개를 이용하여 툴 플랜지에 툴을 고정하십시오.
- 볼트를 고정할 때에는 9 Nm의 토크로 볼트를 조이는 것을 권장합니다.
- 로봇을 고정된 위치에 정확하게 설치해야 하는 경우에는 Φ 6의 위치 결정 핀을 이용하면 원하는 위치에 설치할 수 있습니다.
- 툴을 고정한 후 플랜지 I/O 커넥터에 필요한 케이블을 연결하십시오.
알아두기
툴을 결합하는 방법은 툴마다 다를 수 있습니다. 자세한 방법은 툴 제조사에서 제공하는 매뉴얼을 참조하십시오

툴 출력 플랜지, ISO 9409-1-50-4-M6