Skip to main content
Skip table of contents

ロボットの作業領域

A0509

A0509S

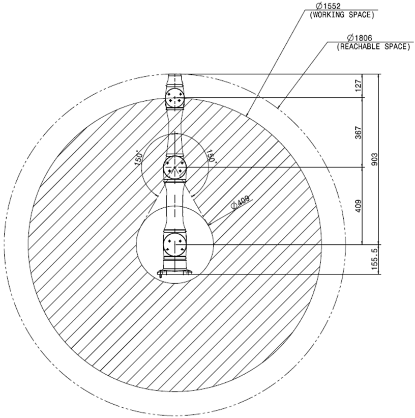
A0912

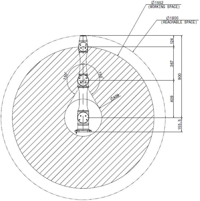
A0912S

JavaScript errors detected

Please note, these errors can depend on your browser setup.

If this problem persists, please contact our support.