ロボットとツールをつなぐ

番号 | 項目 |
1 | Tool |
2 | Bracket |
3 | Cable |
4 | Tool flange |
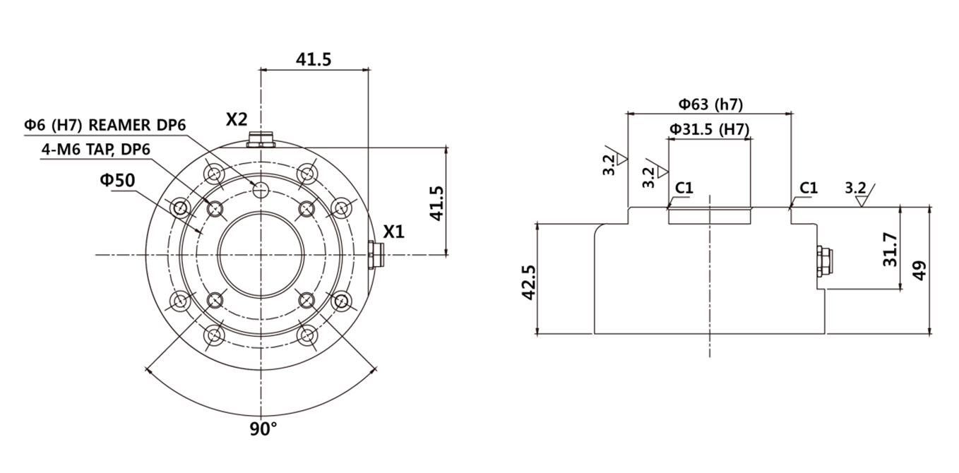
M6ボルト4個を利用して、ツールフランジにツールを固定してください。
ボルトを固定する際は、9 Nmのトルクでボルトを締めることをおすすめします。
ロボットを固定位置に正確に設置すべき場合は、Φ6の位置決定ピンを利用すると希望の位置に設置できます。
ツールを固定してから、フランジI/Oコネクタに必要なケーブルをつないでください。
メモ
ツールを結合する方法は、ツールごとに異なる可能性があります。詳しい方法は、ツールのメーカーが提供するマニュアルを参照してください。

ツールの出力フランジ、ISO 9409-1-50-4-M6