ロボットとツールをつなぐ

番号 | 項目 |
|---|---|
1 | ツール |
2 | ブラケット |
3 | ケーブル |
4 | ツールフランジ( Tool Flange ) |
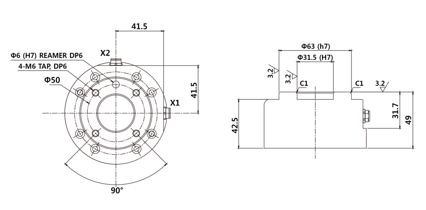
M6ボルト4個を利用して、ツールフランジにツールを固定してください。
ボルトを固定する際は、9 Nmのトルクでボルトを締めることをおすすめします。
ロボットを固定位置に正確に設置すべき場合は、Φ6の位置決定ピンを利用すると希望の位置に設置できます。
ツールを固定してから、フランジI/Oコネクタに必要なケーブルをつないでください。
メモ
ツールを結合する方法は、ツールごとに異なる可能性があります。詳しい方法は、ツールのメーカーが提供するマニュアルを参照してください。
ツールの出力フランジ、ISO 9409-1-50-4-M6
