Skip to main content
Skip table of contents

ロボットとツールをつなぐ


番号

項目

1

Tool

2

Bracket

3

Cable

4

Tool flange

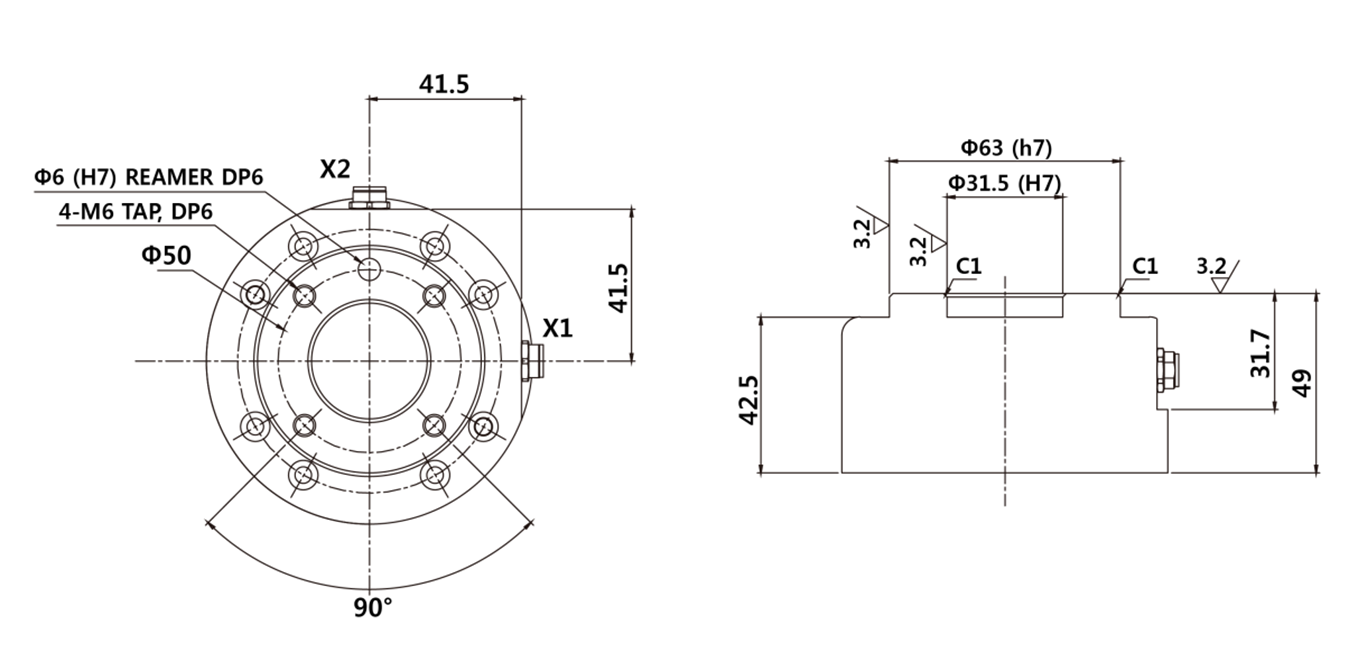
  1. M6ボルト4個を利用して、ツールフランジにツールを固定してください。
    • ボルトを固定する際は、9 Nmのトルクでボルトを締めることをおすすめします。
    • ロボットを固定位置に正確に設置すべき場合は、Φ6の位置決定ピンを利用すると希望の位置に設置できます。
  2. ツールを固定してから、フランジI/Oコネクタに必要なケーブルをつないでください。


メモ

ツールを結合する方法は、ツールごとに異なる可能性があります。詳しい方法は、ツールのメーカーが提供するマニュアルを参照してください。

ツールの出力フランジ、ISO 9409-1-50-4-M6

JavaScript errors detected

Please note, these errors can depend on your browser setup.

If this problem persists, please contact our support.