ロボットとツールの接続

No. | 項目 |
|---|---|
1 | ツール (Tool) |
2 | ブラケット (Bracket) |
3 | ケーブル (Cable) |
4 | ツールフランジ (Tool flange) |
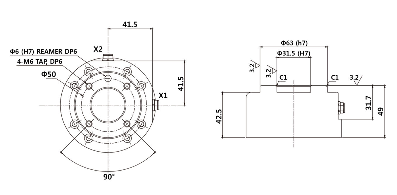
4本のM6ボルトを使用して、ツールをツールフランジに固定します。
ボルトの締付けトルクは9 Nmを推奨します。
Φ 6プレイスマーカーピンを使用して、ロボットを正確に固定位置に設置します。
ツールを固定した後、必要なケーブルをフランジI/Oコネクタに接続します。
注記
ツールの固定方法は、ツールによって異なる場合があります。工具の取り付け方法の詳細については、工具メーカーが提供するマニュアルを参照してください。
ツールアウトプットフランジ、ISO 9409-1-50-4-M6
