Skip to main content
Skip table of contents

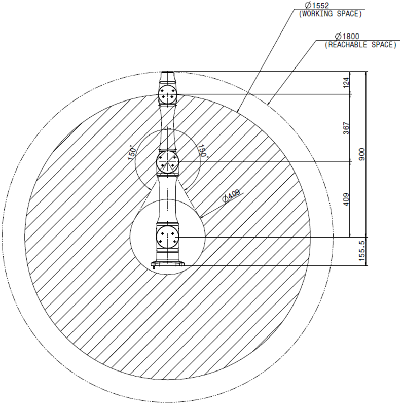
Spazio operativo robot

A0509

A0509S

A0912

A0912S

JavaScript errors detected

Please note, these errors can depend on your browser setup.

If this problem persists, please contact our support.