Collegamento del robot e dell'utensile

No. | Elemento |
1 | Strumento |
2 | Staffa |
3 | Cavo |
4 | Flangia dell'attrezzo |
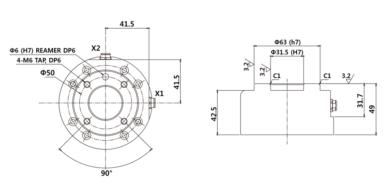
Utilizzare quattro bulloni M6 per fissare l'utensile alla flangia d'attacco.
Si consiglia di utilizzare una coppia di serraggio di 9 Nm per serrare i bulloni.
Utilizzare un perno di posizionamento Φ6 per installare con precisione il robot in una posizione fissa.
Collegare i cavi necessari ai connettori I/O della flangia dopo aver fissato l'utensile.
Nota
I metodi di fissaggio dell'utensile possono variare a seconda del modello. Per ulteriori informazioni sull'installazione, consultare il manuale fornito dal produttore.
Flangia di uscita utensile, ISO 9409-1-50-4-M6
