Collegamento del robot e dell'utensile

N. | Voce |
1 | Tool |
2 | Bracket |
3 | Cable |
4 | Tool flange |
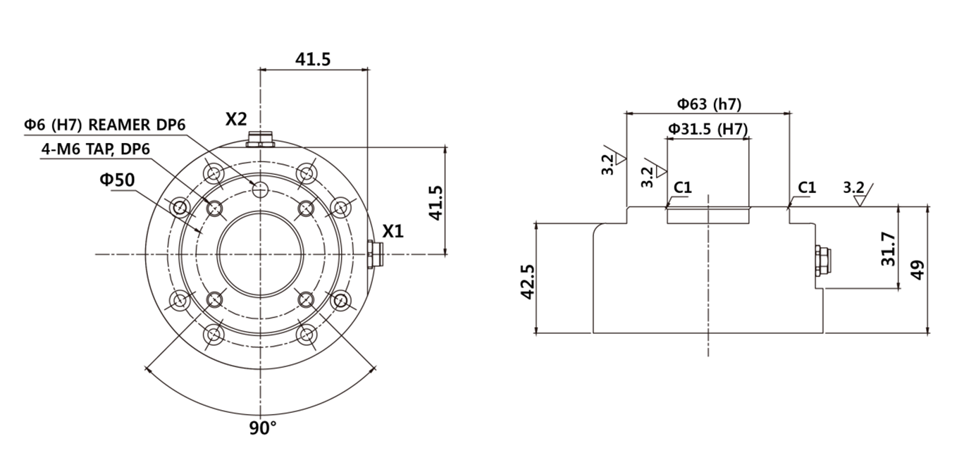
- Utilizzare quattro bulloni M6 per fissare l'utensile alla flangia d'attacco.
- Si consiglia di utilizzare una coppia di serraggio di 9 Nm per serrare i bulloni.
- Utilizzare un perno di riferimento da Φ6 per installare con precisione il robot nella posizione desiderata.
- Collegare i cavi necessari ai connettori I/O della flangia dopo aver fissato l'utensile.
Nota
I metodi per la messa in sicurezza dell'utensile possono variare a seconda dell'utensile stesso. Per maggiori informazioni sull'installazione degli utensili, consultare il manuale fornito dal costruttore dell'utensile.

Flangia di uscita utensile, ISO 9409-1-50-4-M6