Collegamento del robot e dello strumento

No. | Elemento |
|---|---|
1 | Attrezzo |
2 | Staffa |
3 | Cavo |
4 | Flangia dell'attrezzo |
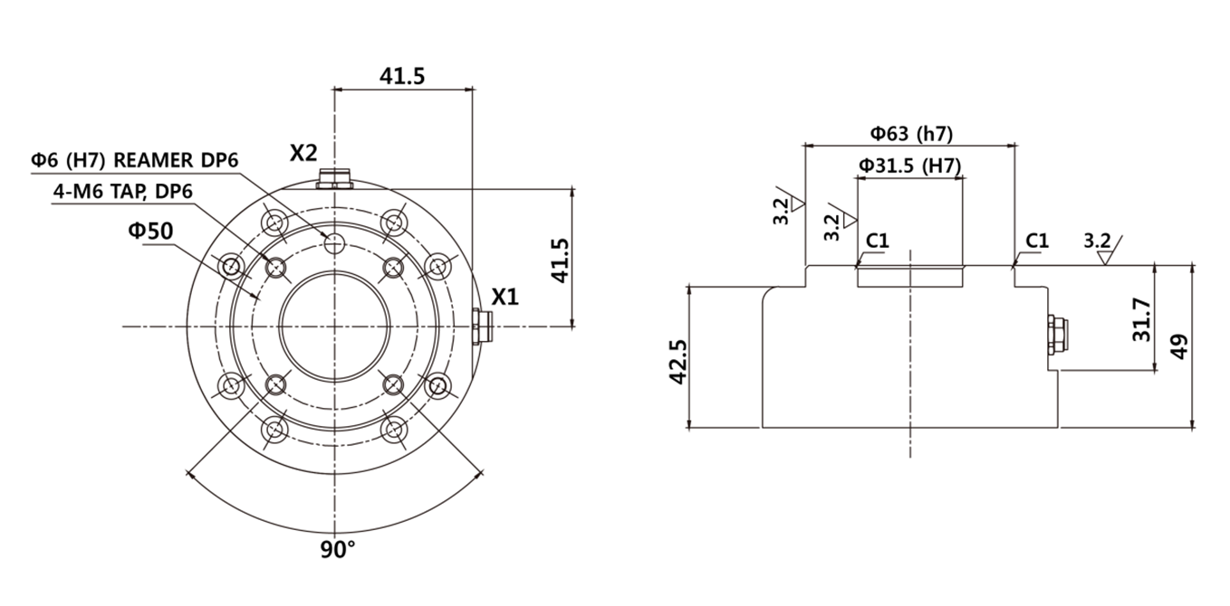
Utilizzare quattro bulloni M6 per fissare l'attrezzo sulla flangia dell'attrezzo.
Si consiglia di utilizzare una coppia di serraggio di 9 Nm per serrare i bulloni.
Utilizzare un pennarello da Φ6 per installare con precisione il robot in una posizione fissa.
Collegare i cavi necessari ai connettori i/o della flangia dopo aver fissato l'attrezzo.
Nota
I metodi di fissaggio dell'attrezzo possono variare a seconda dell'attrezzo. Per ulteriori informazioni sull'installazione dell'utensile, fare riferimento al manuale fornito dal produttore dell'utensile.
Flangia di uscita utensile, ISO 9409-1-50-4-M6
