Skip to main content
Skip table of contents

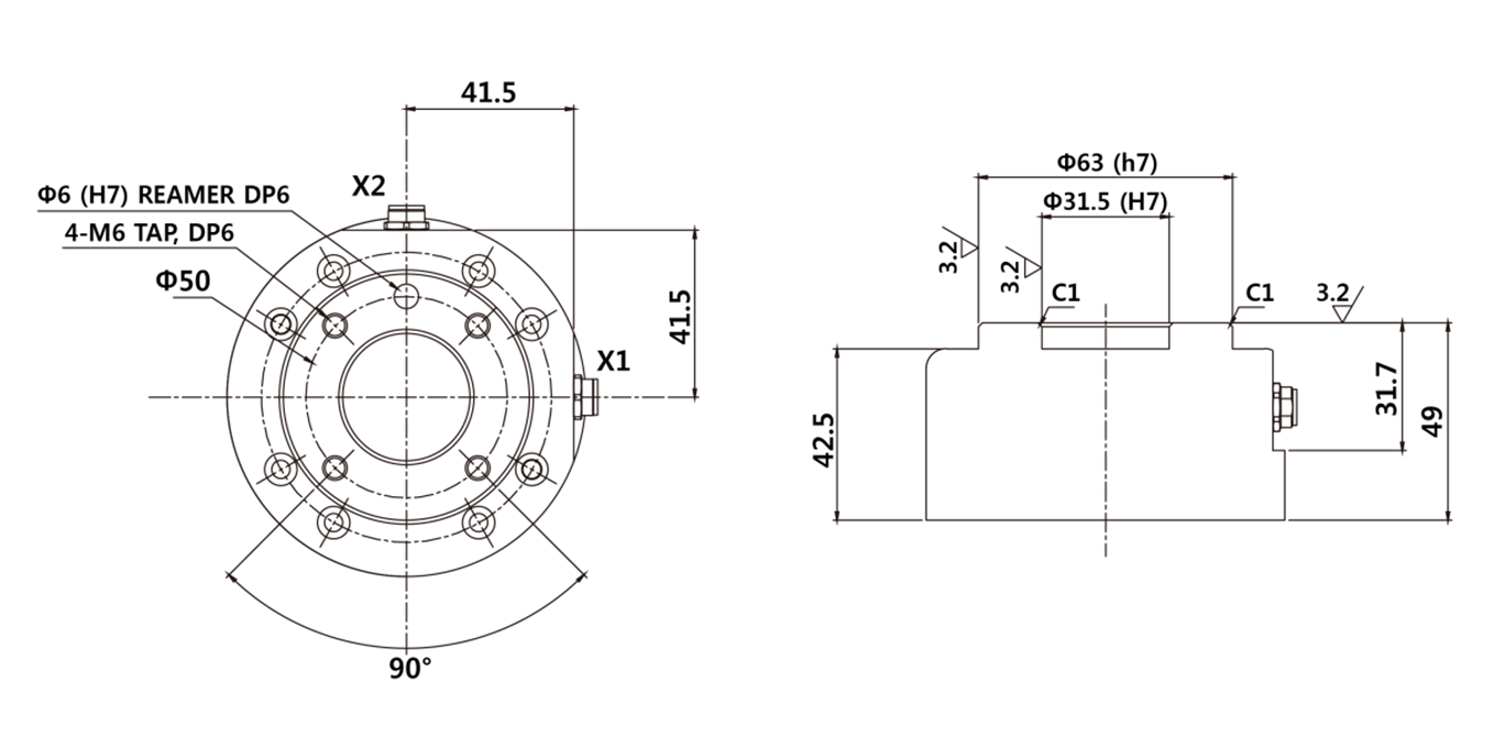
A robot és a szerszám csatlakoztatása

Sz.

Elem

1

Eszköz

2

Konzol

3

Kábel

4

Szerszám karima

  1. A szerszámnak a szerszám karimájára való rögzítéséhez négy M6-os csavart használjon.

    • A csavarok meghúzásához 9 Nm-es meghúzó nyomaték használata ajánlott.

    • Használjon Φ6 átmérőjű helyjelölő rajzszegeket, hogy pontosan a rögzített helyre telepítse a robotot.

  1. Csatlakoztassa a szükséges kábeleket a karima I/O csatlakozásaihoz, miután rögzítette a szerszámot.

Megjegyzés

A szerszám rögzítésének módszerei a szerszámnak megfelelően változhatnak. A szerszám telepítésére vonatkozó további információkért lásd a szerszám gyártójának kézikönyvét.

Szerszámkimeneti perem, ISO 9409-1-50-4-M6

JavaScript errors detected

Please note, these errors can depend on your browser setup.

If this problem persists, please contact our support.