A robot rögzítése
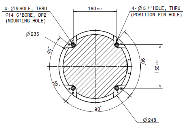
A manipulátor alapjában lévő 9,0 mm-es lyukakban használjon M8-as csavarokat a robot rögzítéséhez.
- A csavarok meghúzásához 20 Nm-es meghúzó nyomaték használata ajánlott.
Alátétekkel (lapos vagy rugós) előzze meg, hogy a feszesség rezgés miatti meglazuljon. 
- Használjon Φ5 átmérőjű helyjelölő rajzszegeket, hogy pontosan a rögzített helyre telepítse a manipulátort.
 

manipulátor-alap rajza, használjon négy M8-as csavart. Mértékegység [mm]
Figyelem
- Teljesen húzza meg a csavarokat, hogy a manipulátor működése közben ne lazuljanak meg.
 - Szilárd felületre szerelje fel a manipulátor alapját, amely meg tudja tartani a működés során keletkező terhelést (a maximális nyomaték 10-szerese, és a robot súlyának ötszöröse).
 - A robot a manipulátor alapjának rezgését ütközésként értelmezi, és bekapcsolja a vészleállítást. Ezért a helyzetüket automatikusan változtató telepítési helyek esetén ne telepítse a robot alapját nagy mozgásgyorsulási helyre.
 - A manipulátor karját külön helyre szerelje, megfelelő módszereket használva. A szerelési felületnek szilárdnak kell lennie.
 - A manipulátor károsodhat, ha hosszabb ideig víz éri. Ne működtesse a robotot olyan körülmények között, ahol megnedvesedhet vagy víz alá kerülhet.