A robot és a szerszám csatlakoztatása

Sz. | Elem |
1 | Tool |
2 | Bracket |
3 | Cable |
4 | Tool flange |
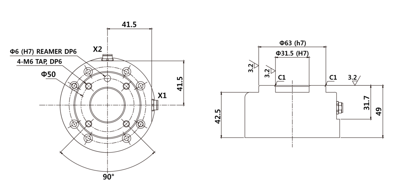
- A szerszámnak a szerszám karimájára való rögzítéséhez négy M6-os csavart használjon.
- A csavarok meghúzásához 9 Nm-es meghúzó nyomaték használata ajánlott.
- Használjon Φ6 átmérőjű helyjelölő rajzszegeket, hogy pontosan a rögzített helyre telepítse a robotot.
- Csatlakoztassa a szükséges kábeleket a karima I/O csatlakozásaihoz, miután rögzítette a szerszámot.
Megjegyzés
A szerszám rögzítésének módszerei a szerszámnak megfelelően változhatnak. A szerszám telepítésére vonatkozó további információkért lásd a szerszám gyártójának kézikönyvét.

Szerszám kimeneti karimája, ISO 9409-1-50-4-M6