A robot és az eszköz csatlakoztatása

No. | Elem |
|---|---|
1 | Szerszám |
2 | Konzol |
3 | Kábel |
4 | Szerszámkarima |
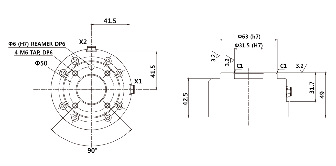
Négy M6 csavarral rögzítse a szerszámot a szerszám karimájára.
A csavarok meghúzásához ajánlott 9 Nm meghúzási nyomatékot használni.
A robot rögzített helyre történő pontos beszereléséhez használjon Φ6 jelölő csapot.
A szerszám rögzítése után csatlakoztassa a szükséges kábeleket a peremes I/O csatlakozókhoz.
Megjegyzés
A szerszám rögzítésének módja a szerszámtól függően változhat. A szerszám beszerelésével kapcsolatos további információkért tekintse meg a szerszám gyártója által biztosított kézikönyvet.
Szerszám kimeneti karima, ISO 9409-1-50-4-M6
