Connexion du robot et de l'outil

No. | Éléments |
|---|---|
1 | Outil |
2 | Support |
3 | Câble |
4 | Bride d'outil |
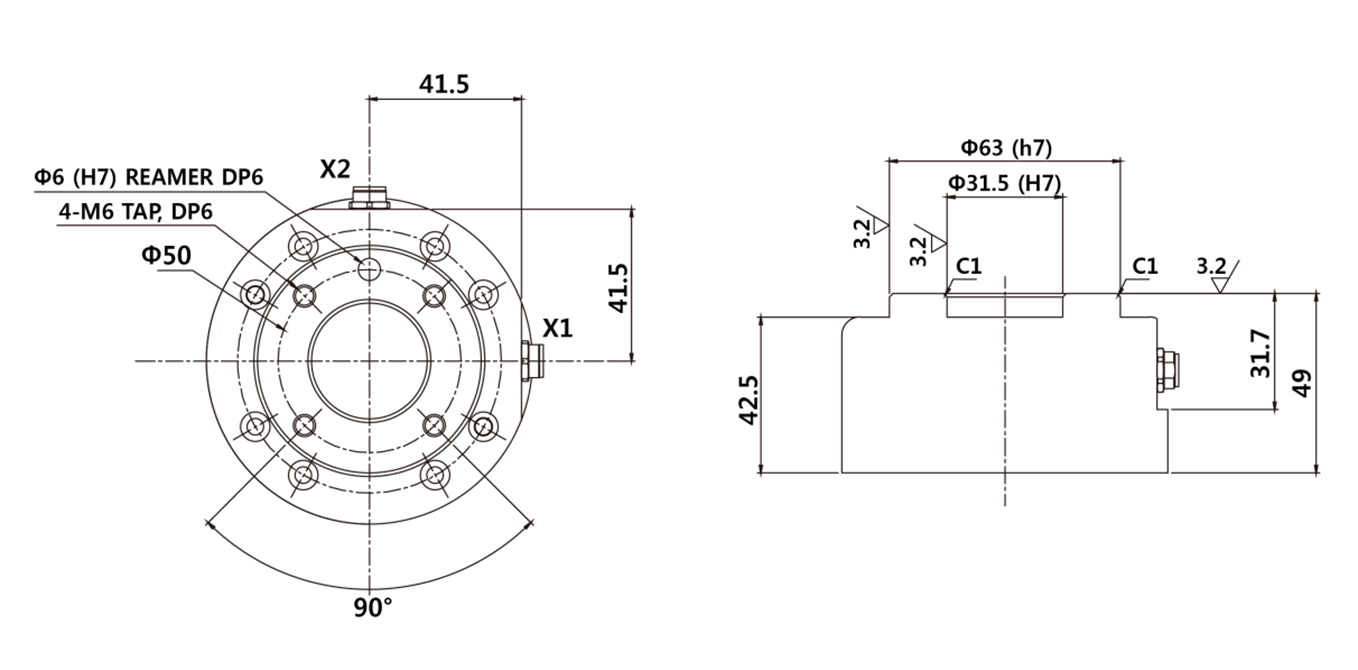
Utilisez quatre boulons M6 pour fixer l'outil à la bride de l'outil.
Il est recommandé d'utiliser un couple de serrage de 9 Nm pour serrer les boulons.
Utilisez une épingle de marquage de Φ6 pour installer le robot dans un lieu fixe de manière précise.
Connectez les câbles nécessaires aux connecteurs d'E/S à bride une fois l'outil fixé.
Remarque
Les méthodes de fixation de l'outil peuvent varier selon l'outil. Pour plus d'informations sur l'installation de l'outil, reportez-vous au manuel fourni par le fabricant de l'outil.
Bride de sortie de l'outil, ISO 9409-1-50-4-M6
