Conexión del robot y la herramienta

N.º | Elemento |
1 | Tool |
2 | Bracket |
3 | Cable |
4 | Tool flange |
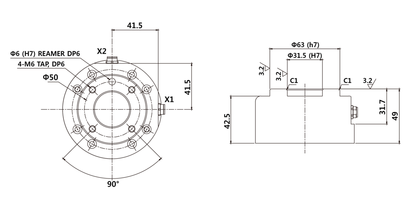
- Use cuatro pernos M6 para asegurar su herramienta en el tool flange.
- Se recomienda utilizar un par de apriete de 9 Nm para ajustar los pernos.
- Use un pin marcador de lugar de Φ6 para instalar el robot de manera precisa en una ubicación inalterable.
- Conecte los cables necesarios a los conectores de E/S con brida después de asegurar la herramienta.
Nota
Las formas de asegurar la herramienta pueden variar de una a otra. Para obtener más información sobre la instalación de la herramienta, consulte el manual proporcionado por el fabricante.

Brida de salida de la herramienta, ISO 9409-1-50-4-M6