Skip to main content
Skip table of contents

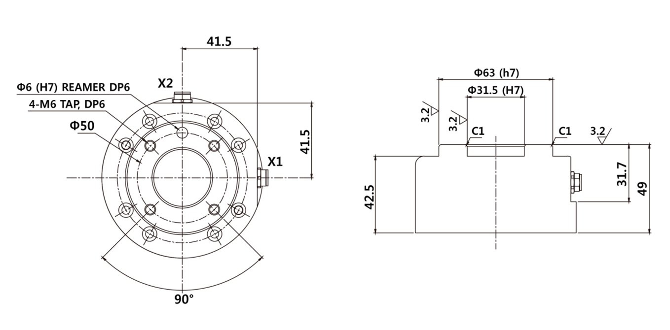
Conexión del robot y la herramienta


N.º

Elemento

1

Tool

2

Bracket

3

Cable

4

Tool flange

  1. Use cuatro pernos M6 para asegurar su herramienta en el tool flange.
    • Se recomienda utilizar un par de apriete de 9 Nm para ajustar los pernos.
    • Use un pin marcador de lugar de Φ6 para instalar el robot de manera precisa en una ubicación inalterable.
  2. Conecte los cables necesarios a los conectores de E/S con brida después de asegurar la herramienta.


Nota

Las formas de asegurar la herramienta pueden variar de una a otra. Para obtener más información sobre la instalación de la herramienta, consulte el manual proporcionado por el fabricante.

Brida de salida de la herramienta, ISO 9409-1-50-4-M6

JavaScript errors detected

Please note, these errors can depend on your browser setup.

If this problem persists, please contact our support.