Conectando el Robot y la Herramienta

No. | Tema |
|---|---|
1 | Herramienta |
2 | Soporte |
3 | Cable |
4 | Brida de herramienta |
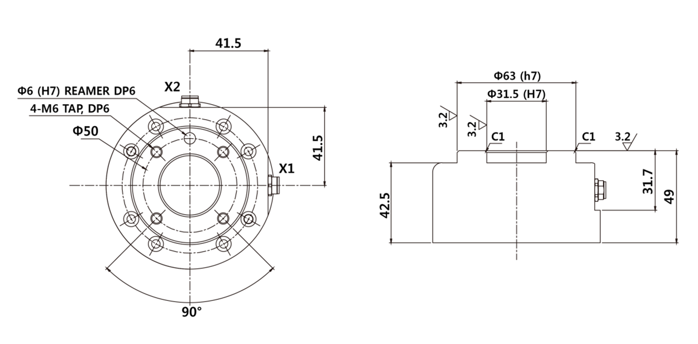
Utilice cuatro pernos M6 para asegurar la herramienta en la brida de la herramienta.
Se recomienda utilizar un par de apriete de 9 Nm para apretar los pernos.
Use un pasador de marcador de Φ6 para instalar con precisión el robot en una ubicación fija.
Conecte los cables necesarios a los conectores de E/S de brida después de asegurar la herramienta.
Nota
Los métodos para asegurar la herramienta pueden variar según la herramienta. Para obtener más información sobre la instalación de herramientas, consulte el manual proporcionado por el fabricante de la herramienta.
Brida de salida de herramienta, ISO 9409-1-50-4-M6
