Skip to main content
Skip table of contents

Robot operating space

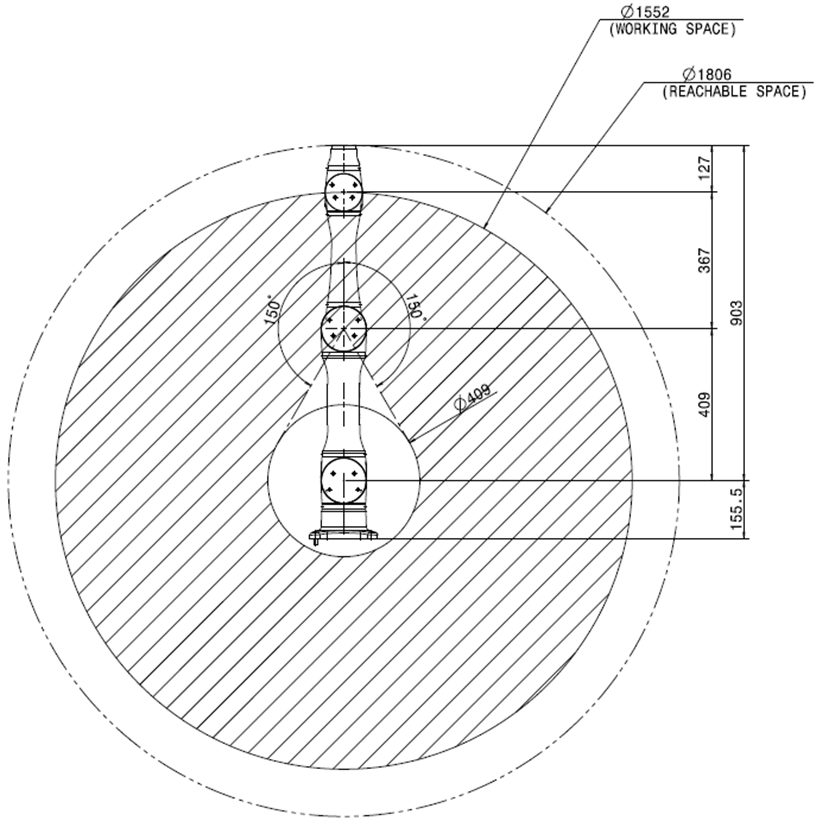
A0509

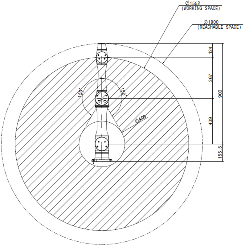
A0509S

A0912

A0912S

JavaScript errors detected

Please note, these errors can depend on your browser setup.

If this problem persists, please contact our support.