Verbinden von Roboter und Werkzeug

No. | Artikel |
|---|---|
1 | Werkzeug |
2 | Halterung |
3 | Kabel |
4 | Werkzeugflansch |
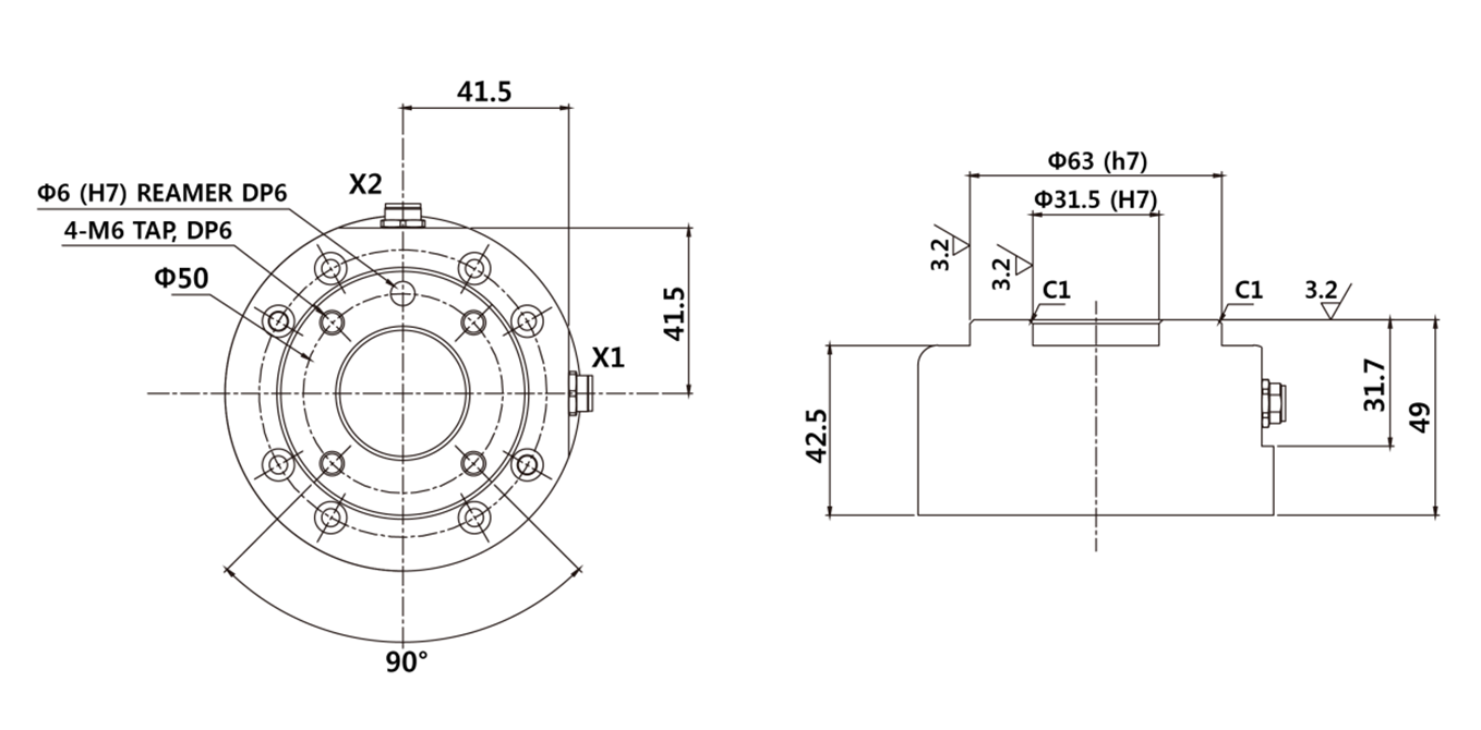
Das Werkzeug mit vier M6 Schrauben am Werkzeugflansch sichern.
Es wird empfohlen, zum Anziehen der Schrauben ein Anzugsdrehmoment von 9 Nm zu verwenden.
Verwenden Sie einen Φ6 Place-Markierstift, um den Roboter an einem festen Ort zu installieren.
Schließen Sie die erforderlichen Kabel an die Flansch-E/A-Steckverbinder an, nachdem das Werkzeug befestigt wurde.
Hinweis
Die Methoden zur Befestigung des Werkzeugs können je nach Werkzeug variieren. Weitere Informationen zur Werkzeuginstallation finden Sie im Handbuch des Werkzeugherstellers.
Werkzeugabtriebsflansch, ISO 9409-1-50-4-M6
