Skip to main content
Skip table of contents

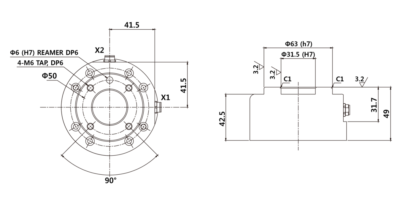
Připojení robota a nástroje

No.

Položka

1

Nástroj

2

Držák

3

Kabel

4

Příruba nástroje

  1. Pomocí šroubů M6 připevněte nástroj k přírubě robota.

    • Pro dotažení šroubů se doporučuje použít utahovací moment 9 Nm.

    • K přesné instalaci robota na pevném místě použijte přesný značkovací kolík Φ6.

  1. Po připevnění nástroje připojte nezbytné kabely k I/O konektorům příruby.

Poznámka

Metody připevnění nástroje se mohou lišit v závislosti na typu nástroje. Více informací o instalaci nástroje najdete v manuálu od výrobce nástroje.

Výstupní příruba nástroje, ISO 9409-1-50-4-M6

JavaScript errors detected

Please note, these errors can depend on your browser setup.

If this problem persists, please contact our support.