Připojení robota a nástroje

Č. | Položka |
1 | Tool |
2 | Bracket |
3 | Cable |
4 | Tool flange |
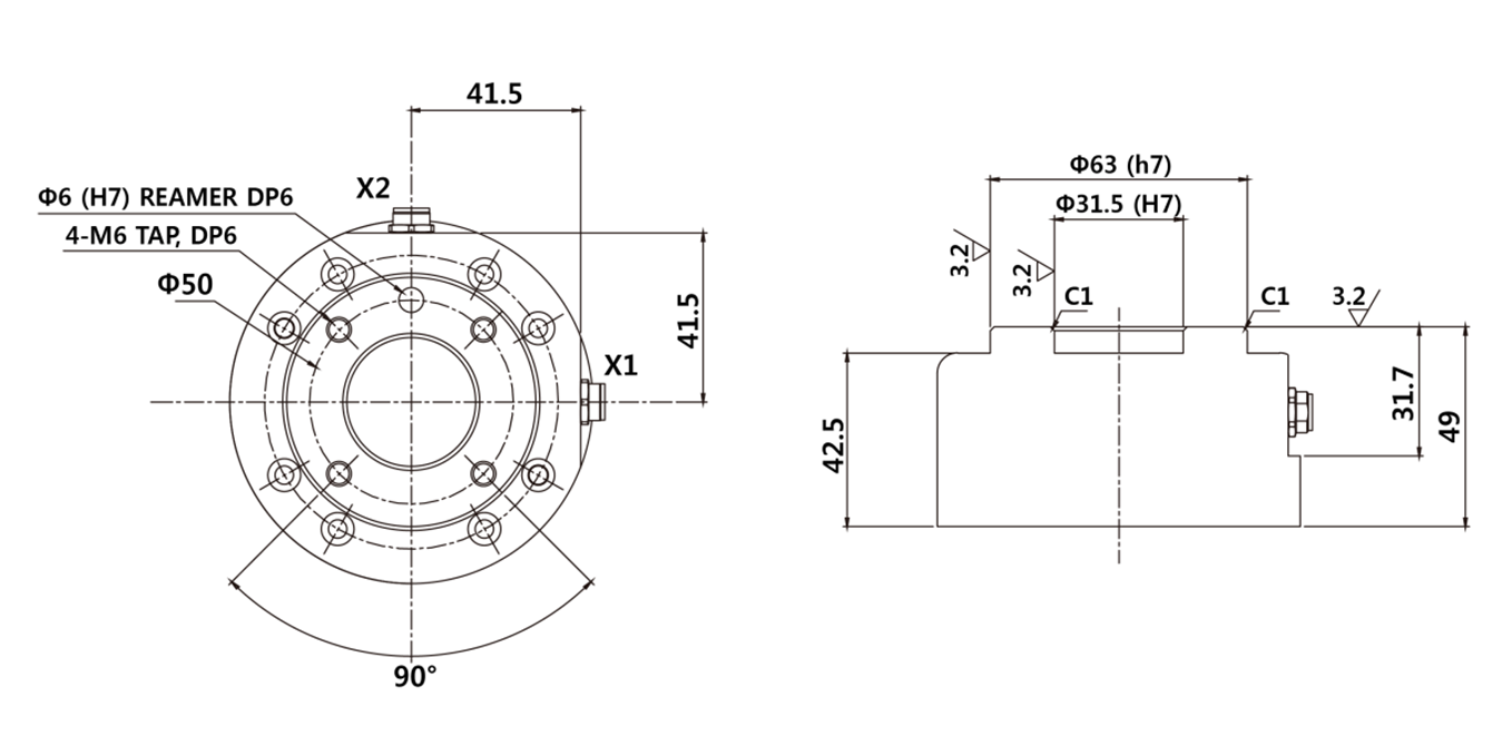
Pomocí šroubů M6 připevněte nástroj k přírubě robota.
Pro dotažení šroubů se doporučuje použít utahovací moment 9 Nm.
K přesné instalaci robota na pevném místě použijte přesný značkovací kolík Φ6.
Po připevnění nástroje připojte nezbytné kabely k I/O konektorům příruby.
Poznámka
Metody připevnění nástroje se mohou lišit v závislosti na typu nástroje. Více informací o instalaci nástroje najdete v manuálu od výrobce nástroje.

Výstupní příruba nástroje, ISO 9409-1-50-4-M6