Skip to main content
Skip table of contents

Připojení robota a nástroje


Č.

Položka

1

Tool

2

Bracket

3

Cable

4

Tool flange

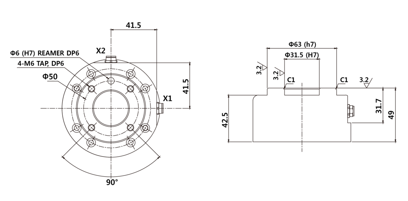
  1. Pomocí šroubů M6 připevněte nástroj k přírubě robota.
    • Pro dotažení šroubů se doporučuje použít utahovací moment 9 Nm.
    • K přesné instalaci robota na pevném místě použijte přesný značkovací kolík Φ6.
  2. Po připevnění nástroje připojte nezbytné kabely k I/O konektorům příruby.


Poznámka

Metody připevnění nástroje se mohou lišit v závislosti na typu nástroje. Více informací o instalaci nástroje najdete v manuálu od výrobce nástroje.

Výstupní příruba nástroje, ISO 9409-1-50-4-M6

JavaScript errors detected

Please note, these errors can depend on your browser setup.

If this problem persists, please contact our support.