Připojení robota a nástroje

Č. | Položka |
1 | Tool |
2 | Bracket |
3 | Cable |
4 | Tool flange |
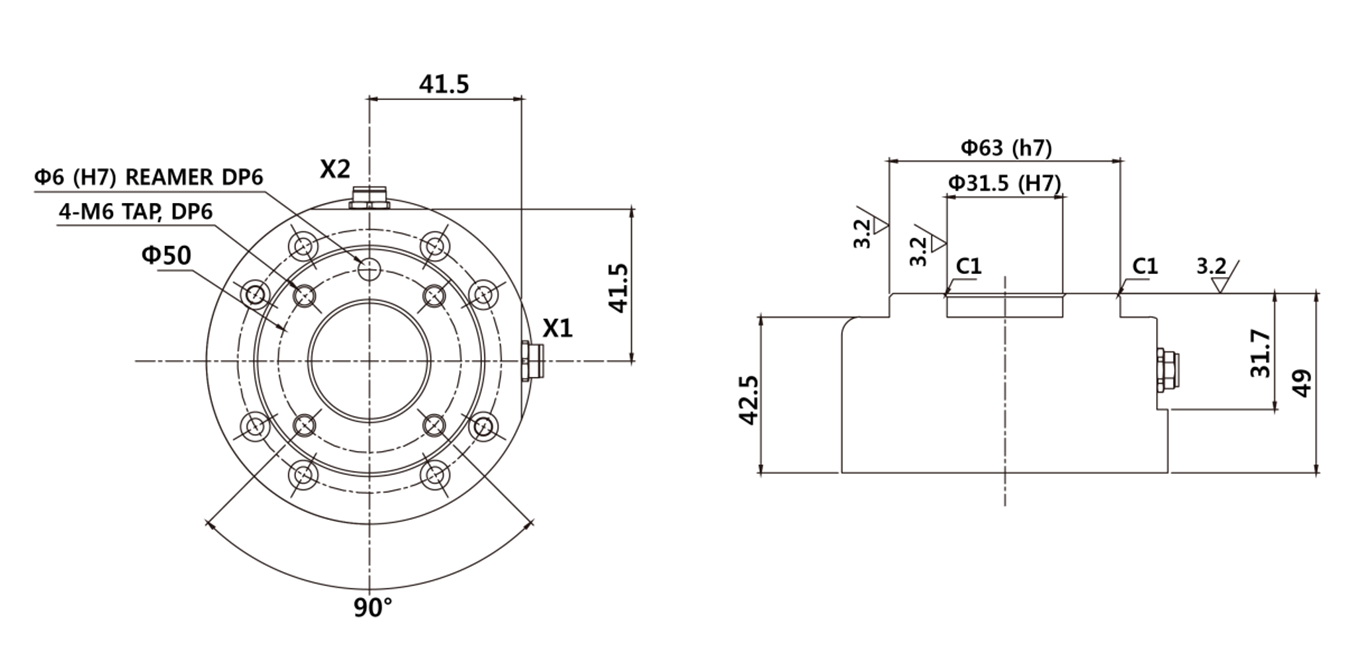
- Pomocí šroubů M6 připevněte nástroj k přírubě robota.
- Pro dotažení šroubů se doporučuje použít utahovací moment 9 Nm.
- K přesné instalaci robota na pevném místě použijte přesný značkovací kolík Φ6.
- Po připevnění nástroje připojte nezbytné kabely k I/O konektorům příruby.
Poznámka
Metody připevnění nástroje se mohou lišit v závislosti na typu nástroje. Více informací o instalaci nástroje najdete v manuálu od výrobce nástroje.
