Připojení robota a nástroje

No. | Položka |
|---|---|
1 | Nástroj |
2 | Držák |
3 | Kabel |
4 | Příruba nástroje |
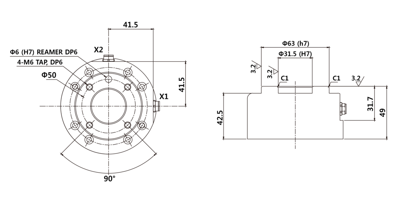
Pomocí čtyř šroubů M6 upevněte nástroj na přírubu nástroje.
Pro utažení šroubů se doporučuje použít utahovací moment 9 Nm.
Pomocí Φ6 umístěte značkovací kolík pro přesnou instalaci robota na pevné místo.
Po zajištění nástroje připojte potřebné kabely ke konektorům i /o příruby.
Poznámka
Způsoby zajištění nástroje se mohou lišit v závislosti na nástroji. Další informace o instalaci nástroje naleznete v příručce dodané výrobcem nástroje.
Výstupní příruba nástroje, ISO 9409-1-50-4-M6
